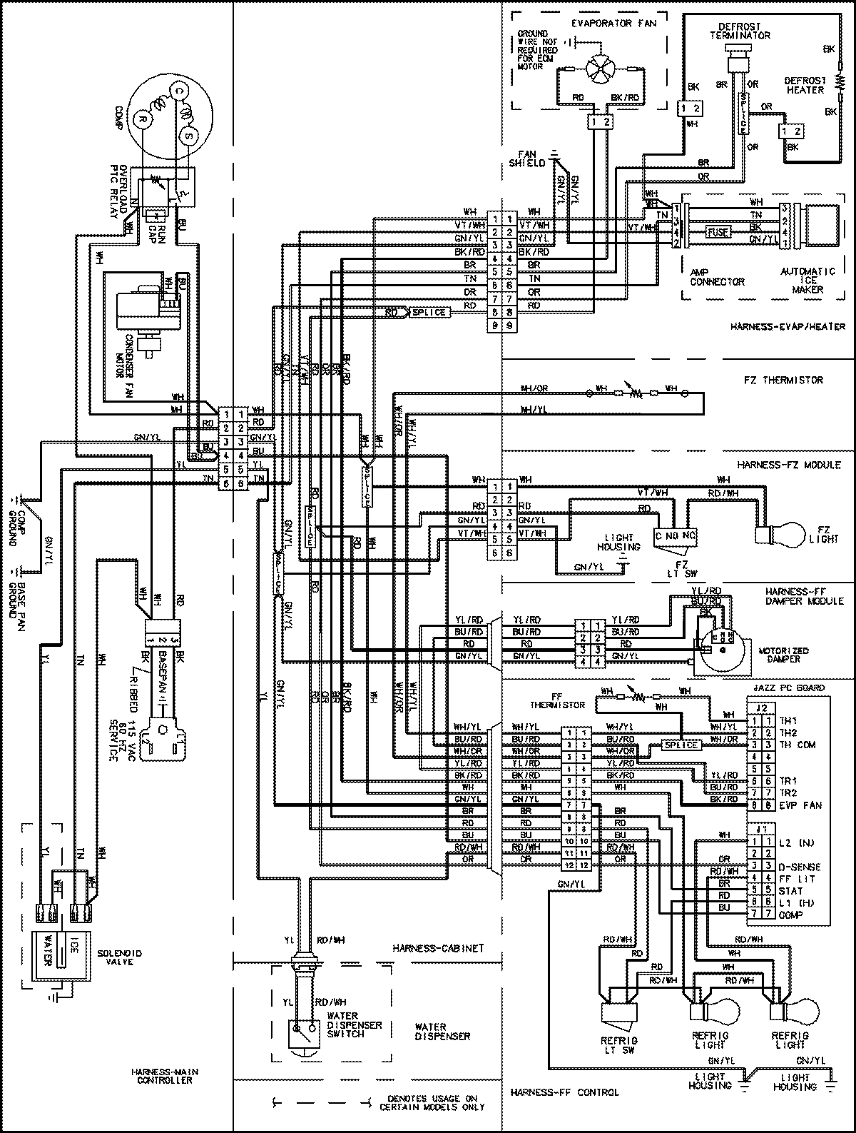
PBF2255HEB 13 – WIRING INFORMATION (SERIES 11)admin2025-04-26T09:38:06+00:00PBF2255HEB 13 – WIRING INFORMATION (SERIES 11) ProductsPositionProductNIMAY 15003700