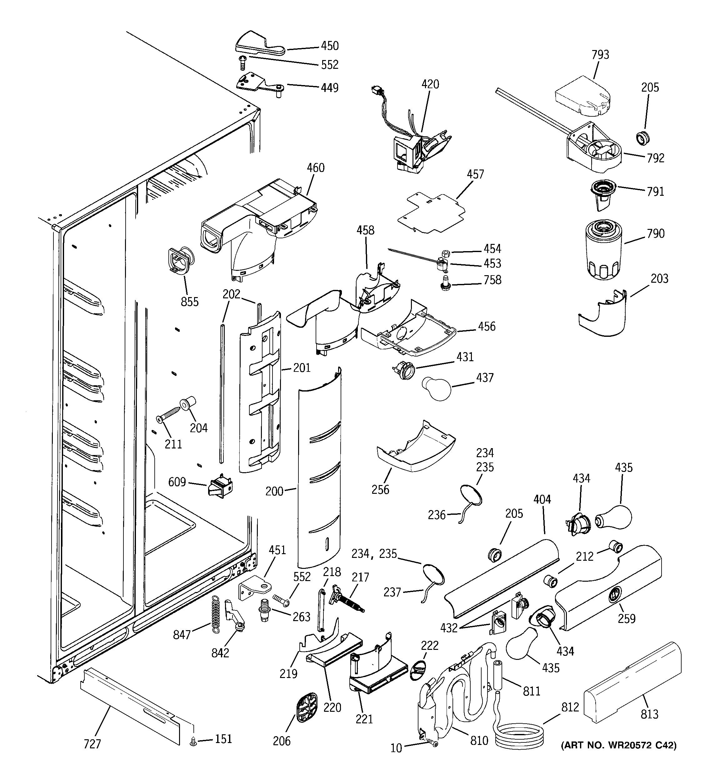
| 10 | WR01X10065 GE Screw |
| 151 | WR01X10588 GE Refrigerator Screw 8-18 AB IHXW 9/16 S |
| 200 | WR17X10802 GE Refrigerator Tower Cover |
| 201 | WR17X10803 GE Refrigerator EPS Tower E01 |
| 202 | WR14X10062 GE Ff Tow E01 Gasket |
| 203 | WR17X12207 GE Refrigerator Water Filter Cover |
| 204 | WR02X12187 GE Refrigerator Support Shelf |
| 205 | WR02X10678 GE Refrigerator Grommet |
| 206 | WR02X10671 GE Refrigerator Air Return Grille |
| 211 | WR01X10568 GE Refrigerator Scr8-18 AB UFL 1.5 Stainless Steel |
| 212 | WR02X10689 GE Refrigerator Base Grille Grommet |
| 217 | WR32X10154 GE Refrigerator Dial Chill Pan |
| 218 | WR02X10665 GE Refrigerator Chill Linkage Pan |
| 219 | WR02X10664 GE Refrigerator Chill Pan Shutter |
| 220 | WR02X11261 GE Chill Duct Pan |
| 221 | WR02X10641 GE Refrigerator Chill Discharge Pan |
| 222 | WR02X10666 GE Refrigerator Chill Pan Knob |
| 234 | WR02X10647 GE Refrigerator Grille Sensor |
| 235 | WR02X10668 GE Refrigerator Shunt Sensor |
| 237 | WR55X10025 GE Refrigerator Temperature Sensor |
| 259 | GEN WR17X10801 |
| 263 | WR02X12263 GE Refrigerator Pin Hinge Bottom Adjuster HOLLOW |
| 404 | WR17X11609 GE Refrigerator Air Flow Diverter |
| 431 | GEN WR02X11462 |
| 432 | WR02X12284 GE Refrigerator Reflector Assembly Middle |
| 432 | WR02X12285 GE Refrigerator Reflector Assembly Middle |
| 434 | GEN WR02X11007 |
| 437 | WR02X12207 GE Refrigerator Net Bulb Light |
| 449 | WR13X10215 GE Refrigerator Top Hinge & Pin |
| 450 | GEN WR02X12405 |
| 451 | WR13X10167 GE Refrigerator Bottom Hinge Black |
| 453 | WR09X10139 GE Refrigerator Thermostat Light |
| 454 | WR01X10212 GE Refrigerator 8-32 Nut |
| 456 | WR49X28627 GE Refrigerator Fresh Food Light Shield & H |
| 457 | WR17X12201 GE Light Reflector |
| 458 | WR49X10091 GE Refrigerator Fresh Food Damper Inlet Cover Kit |
| 552 | WR01X10918 GE Refrigerator 12-24 Tapping Screw OVT 1.000" |
| 609 | REFRIGERATOR DOOR LIGHT SWITCH |
| 727 | WR17X12382 GE Air Separator Hinge Side |
| 758 | WD2X323D GE Dishwasher Screw Package |
| 790 | MSWF GE Refrigerator Fast Fill Water Filter |
| 791 | WR17X22064 GE Refrigerator MSWF Bypass |
| 792 | MSWF MANIFOLD |
| 793 | WR17X12205 GE Refrigerator Manifold Insulation |
| 810 | WR17X11440 GE Refrigerator Water Tank Assembly |
| 811 | WR02X11288 GE Refrigerator Insulation Tube Foam |
| 812 | WR17X2891 GE Refrigerator 5/16" X 6FT Plastic Water Line Tubing |
| 813 | WR17X11620 GE Refrigerator Insulation Tank Foam |
| 842 | LEVER ASM FF |
| 847 | WR1X2027 GE Refrigerator Spring Closure |
| 855 | WR02X13091 GE Refrigerator Duct Assembly Transition |