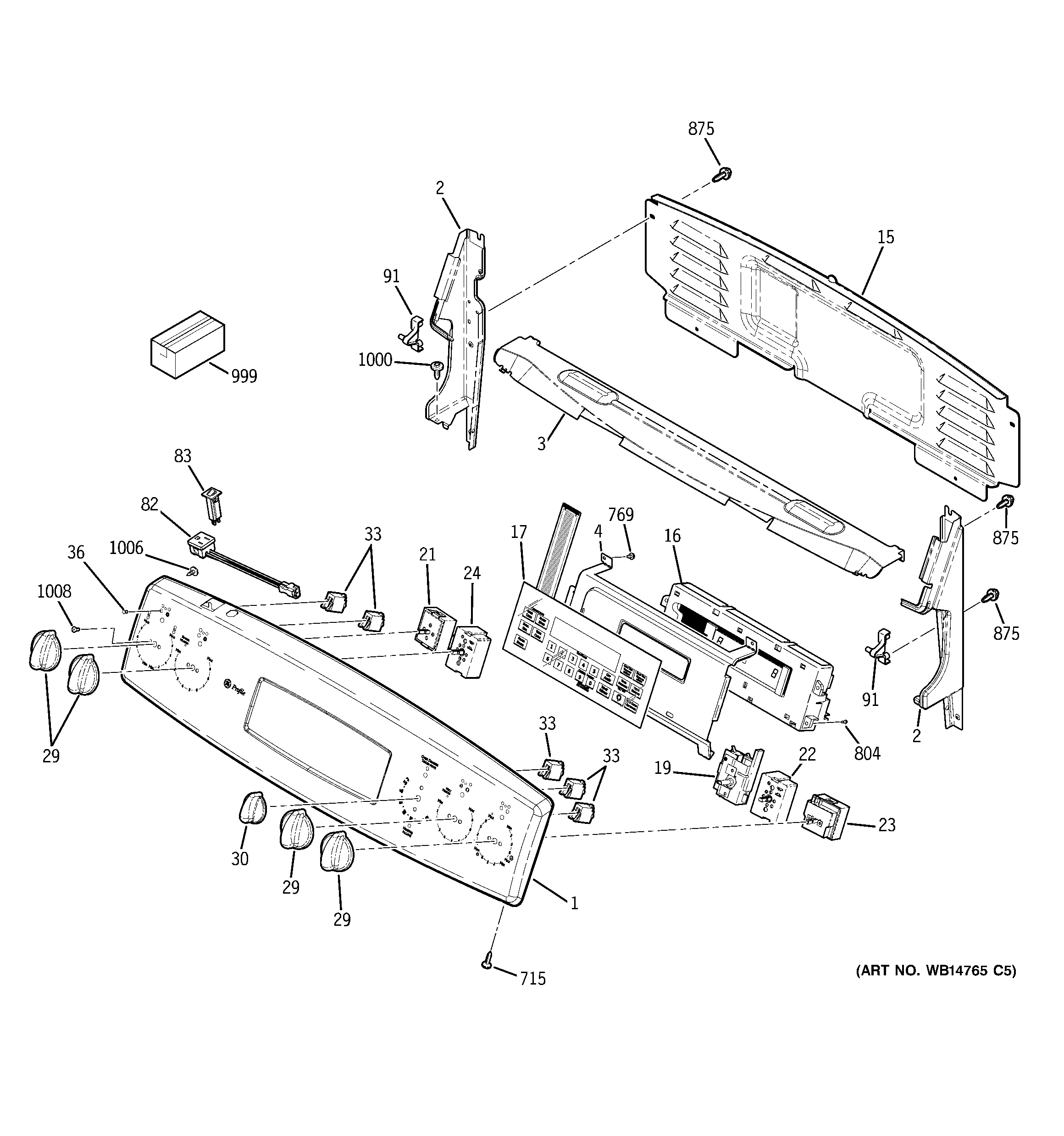
PCB909SP3SS CONTROL PANEL