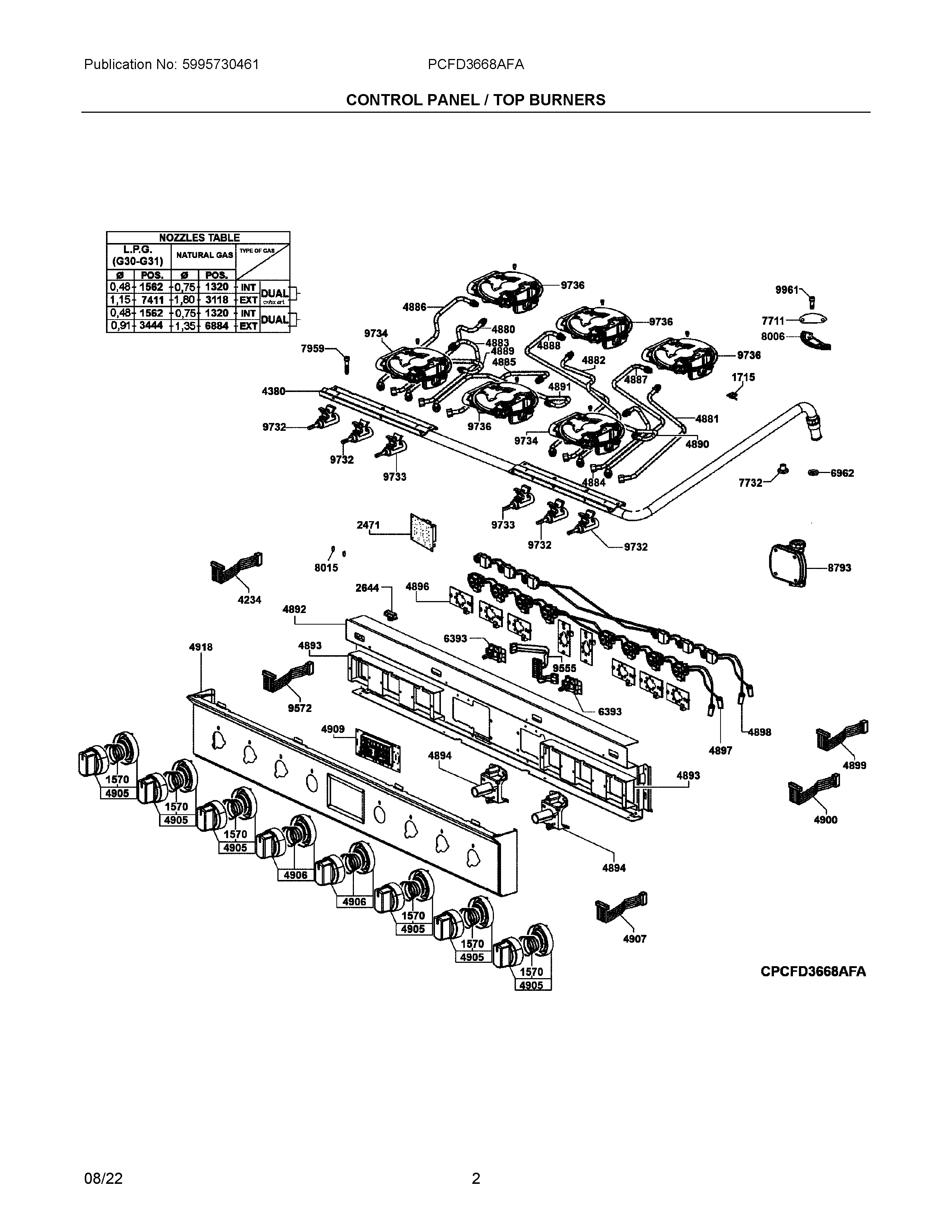
| 1320 | 5304527459 Frigidaire Orifice |
| 1562 | 5304527467 Frigidaire Orifice |
| 1570 | 5304527483 Frigidaire Spring |
| 1715 | SPRING CLIP, BURNER |
| 2471 | 5304529252 Frigidaire PCB Board |
| 2644 | CLAMP, CABLE, (2) |
| 3118 | ORIFICE, NATURAL GAS, D.1, 80-18K BTU, EXTERNAL, (2), DUAL BURNER |
| 3444 | 5304527696 Frigidaire Orifice |
| 4234 | 5304527487 Frigidaire Harness |
| 4380 | MANIFOLD, TUBING |
| 4880 | TUBING, LR BURNER, FRONT CONNECT |
| 4881 | TUBING, RR BURNER, FRONT CONNECT |
| 4882 | TUBING, CR BURNER, FRONT CONNECT |
| 4883 | TUBING, LF BURNER, REAR CONNECT |
| 4884 | TUBING, RF BURNER, REAR CONNECT |
| 4885 | TUBING, CF BURNER, REAR CONNECT |
| 4886 | TUBING, LR BURNER, SIDE CONNECT |
| 4887 | TUBING, RR BURNER, SIDE CONNECT |
| 4888 | TUBING, CR BURNER, SIDE CONNECT |
| 4889 | TUBING, LF BURNER, SIDE CONNECT |
| 4890 | TUBING, RF BURNER, SIDE CONNECT |
| 4891 | TUBING, CF BURNER, SIDE CONNECT |
| 4892 | SUPPORT, FRONT PANEL |
| 4893 | SUPPORT, CONTROL VALVES |
| 4894 | 5304531612 Frigidaire Support |
| 4896 | 5304531614 Frigidaire PC Board |
| 4897 | 5304531615 Frigidaire Micro Switch |
| 4898 | 5304531616 Frigidaire Micro Switch |
| 4899 | CABLE, COMMUNICATION |
| 4900 | CABLE, COMMUNICATION |
| 4905 | 5304531619 Frigidaire Assembly Knob |
| 4906 | 5304531620 Frigidaire Assembly-Knob |
| 4907 | CABLE, LIGHTING |
| 4909 | 5304531623 Frigidaire Control Assembly |
| 4918 | CONTROL PANEL, STAINLESS, 4918 |
| 6393 | 5304527476 Frigidaire Switch |
| 6884 | ORIFICE, NATURAL GAS, D.1, 35-12K BTU |
| 6962 | 5304527447 Frigidaire Seal |
| 7411 | 5304527438 Frigidaire Orifice |
| 7711 | PLATE, BURNER |
| 7732 | CAP, GAS PIPE |
| 7959 | SCREW |
| 8006 | 5304527505 Frigidaire Gasket |
| 8015 | SPACER, ELECTRONIC UNIT, (3) |
| 8793 | 5304527531 Frigidaire Regulator |
| 9555 | 5304527536 Frigidaire Harness |
| 9572 | 5304532116 Frigidaire Harness |
| 9732 | 5304527750 Frigidaire Valve |
| 9733 | 5304527544 Frigidaire Valve |
| 9734 | 5304527545 Frigidaire Holder Assembly |
| 9736 | 5304527751 Frigidaire Assembly Holder |
| 9961 | WCI 5304527449 |