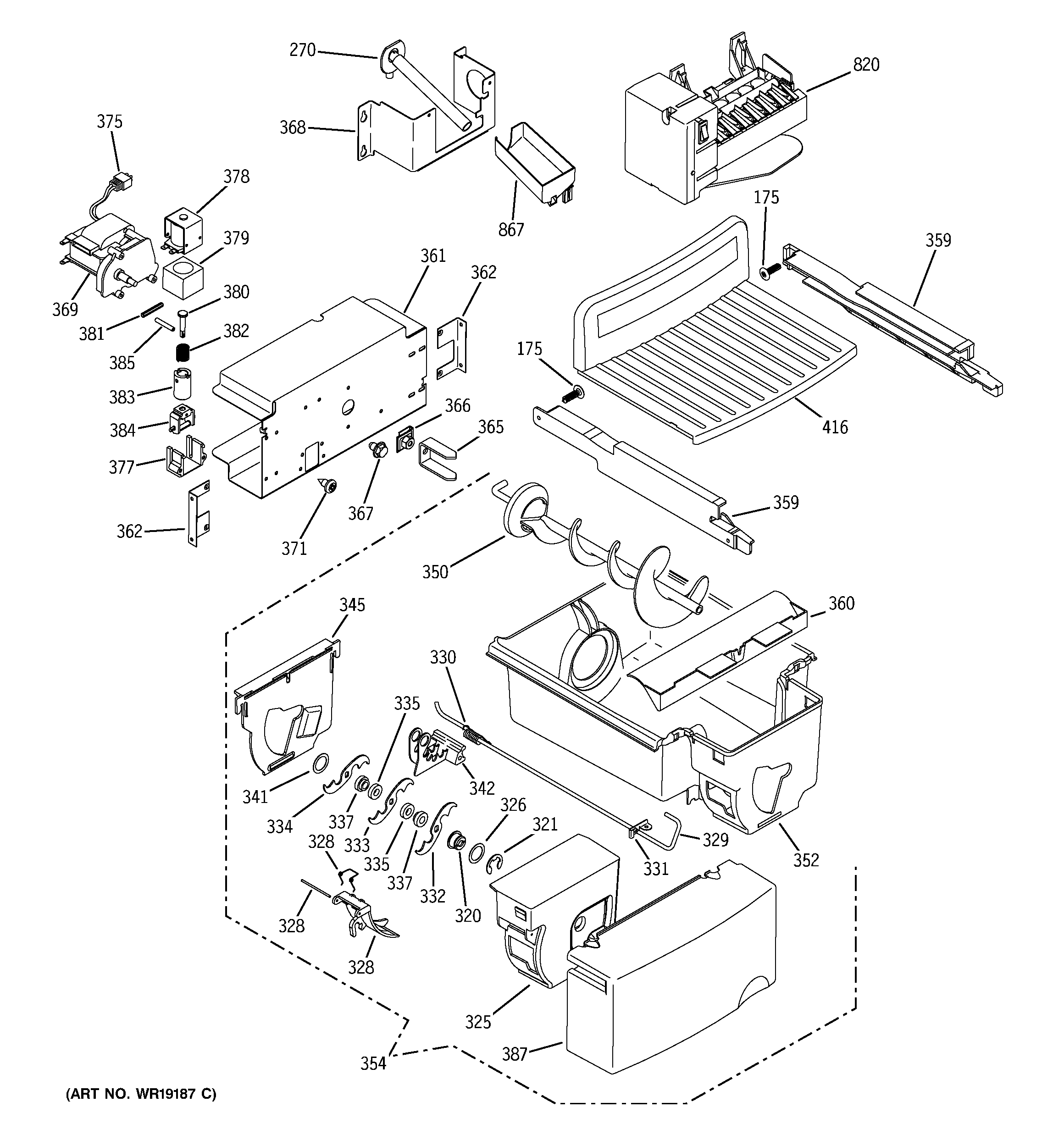
PCG21MIMFFWW ICE MAKER & DISPENSER

PCG21MIMFFWW ICE MAKER & DISPENSER

Products

PositionProduct
175WR01X10652 GE Refrigerator Screw 8-18 AB IHW 5/8 S
270WR17X11168 GROMMET AND TUBE ASM
320WR01X10315 GE Refrigerator Auger Nut
321WR1X1367D GE Refrigerator Return Package 12
325WR17X11505 GE Refrigerator Housing Crusher
326GEN WR01X1366
328GEN WR02X4561
328WR2X4143 GE Refrigerator Pivot
328WR17X10703 GE Refrigerator Deflector
329WR17X10931 GE Refrigerator Wire Actuator Display
330WR02X11768 GE Refrigerator Internal Spring Deflector
331WR02X10580 GE Refrigerator Retainer Spring
332WR17X11239 GE Refrigerator Blades Moving Dispenser
333WR17X11240 GE Dispensing Moving Blades
334WR17X11241 GE Refrigerator Blades Moving Dispenser
335GEN WR02X4139
337WR2X4138 GE Refrigerator Spacer
341WR29X10045 GE Refrigerator Washer Crusher Blade
342WR02X10691 GE Refrigerator STATIONARY Blades Assembly
345WR17X11497 GE Refrigerator Ice Dispenser Crusher Cover
350BUCKET AUGER
352WR30X10055 GE Refrigerator Bucket Ice Dispenser
354GEN WR17X11320
359WR72X10145 GE Refrigerator Right Hand Glide Bucket Display
359WR72X10169 GE Refrigerator Glide Bracket Left Hand
360WR17X11449 GE Refrigerator Diverter Overflow
361GEN WR17X11323
362GEN WR02X10656
365DRIVE AUGER DISP
366GEN WR01X10190
367WR01X10618 GE Refrigerator Screw 8-18 TPT 1/4
368GEN WR02X11336
369WR60X10260 GE Refrigerator Motor Crusher Dispenser
371WR01X10619 GE Refrigerator Screw
375GEN WR23X10172
377WR2X7309 GE Refrigerator Solenoid Cushion
378WR62X10054 GE Refrigerator Solenoid & Arm Assembly
381WR62X23154 GE Refrigerator Ice Dispenser Solenoid Kit
382WR62X26536 GE Refrigerator Armature Kit
387COVER BUCKET DISP
416GEN WR71X10313
820WR30X10081 GE Refrigerator Electronic IM INTL ROHS
867WR29X10109 GE Refrigerator Water Fill Cup