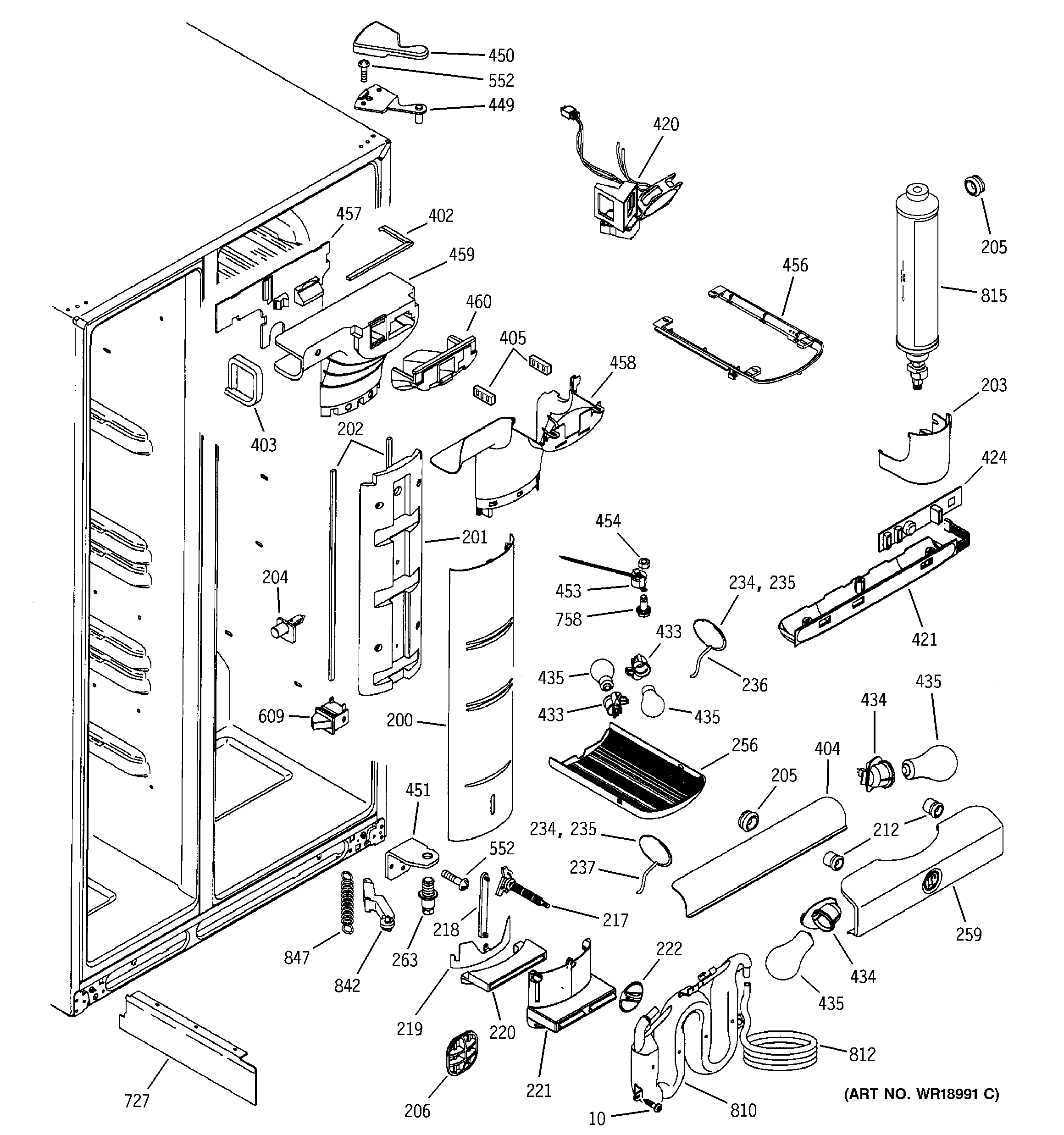
PCG23SJMAFBS FRESH FOOD SECTIONadmin2025-04-26T11:45:51+00:00PCG23SJMAFBS FRESH FOOD SECTION ProductsPositionProduct10WR01X10065 GE Screw200WR17X10802 GE Refrigerator Tower Cover201WR17X10803 GE Refrigerator EPS Tower E01202WR14X10062 GE Ff Tow E01 Gasket203GEN WR17X11070204GEN WR02X10676205WR02X10678 GE Refrigerator Grommet206WR02X10671 GE Refrigerator Air Return Grille212WR02X10689 GE Refrigerator Base Grille Grommet217WR32X10154 GE Refrigerator Dial Chill Pan218WR02X10665 GE Refrigerator Chill Linkage Pan219WR02X10664 GE Refrigerator Chill Pan Shutter220GEN WR02X10644221WR02X10641 GE Refrigerator Chill Discharge Pan222WR02X10666 GE Refrigerator Chill Pan Knob234WR02X10647 GE Refrigerator Grille Sensor235WR02X10668 GE Refrigerator Shunt Sensor236WR55X10025 GE Refrigerator Temperature Sensor256GEN WR17X10839259LIGHT SHIELD BTM FF263WR02X12263 GE Refrigerator Pin Hinge Bottom Adjuster HOLLOW402WR49X10091 GE Refrigerator Fresh Food Damper Inlet Cover Kit404WR17X11609 GE Refrigerator Air Flow Diverter405GEN WR02X10806405GEN WR02X10805421GEN WR55X10128424GEN WR55X10120433WR2X9014 GE Refrigerator Socket & Terminal C02434GEN WR02X11007435WR02X12207 GE Refrigerator Net Bulb Light449WR13X10215 GE Refrigerator Top Hinge & Pin450WR02X10832 GE Refrigerator Black Cover Hinge451WR13X10167 GE Refrigerator Bottom Hinge Black453WR23X10209 GE Refrigerator Thermostat Assembly454WR01X10212 GE Refrigerator 8-32 Nut456WR71X10290 GE Refrigerator Light Bezel458GEN WR17X11091552WR01X10631 GE Screw609REFRIGERATOR DOOR LIGHT SWITCH727GEN WR17X10926758WD2X323D GE Dishwasher Screw Package810WR17X10734 GE Refrigerator Water Tank Drain812WR17X2891 GE Refrigerator 5/16" X 6FT Plastic Water Line Tubing815GXRTDR GE Inline Refrigerator Water Filter Kit842LEVER ASM FF847WR1X2027 GE Refrigerator Spring Closure