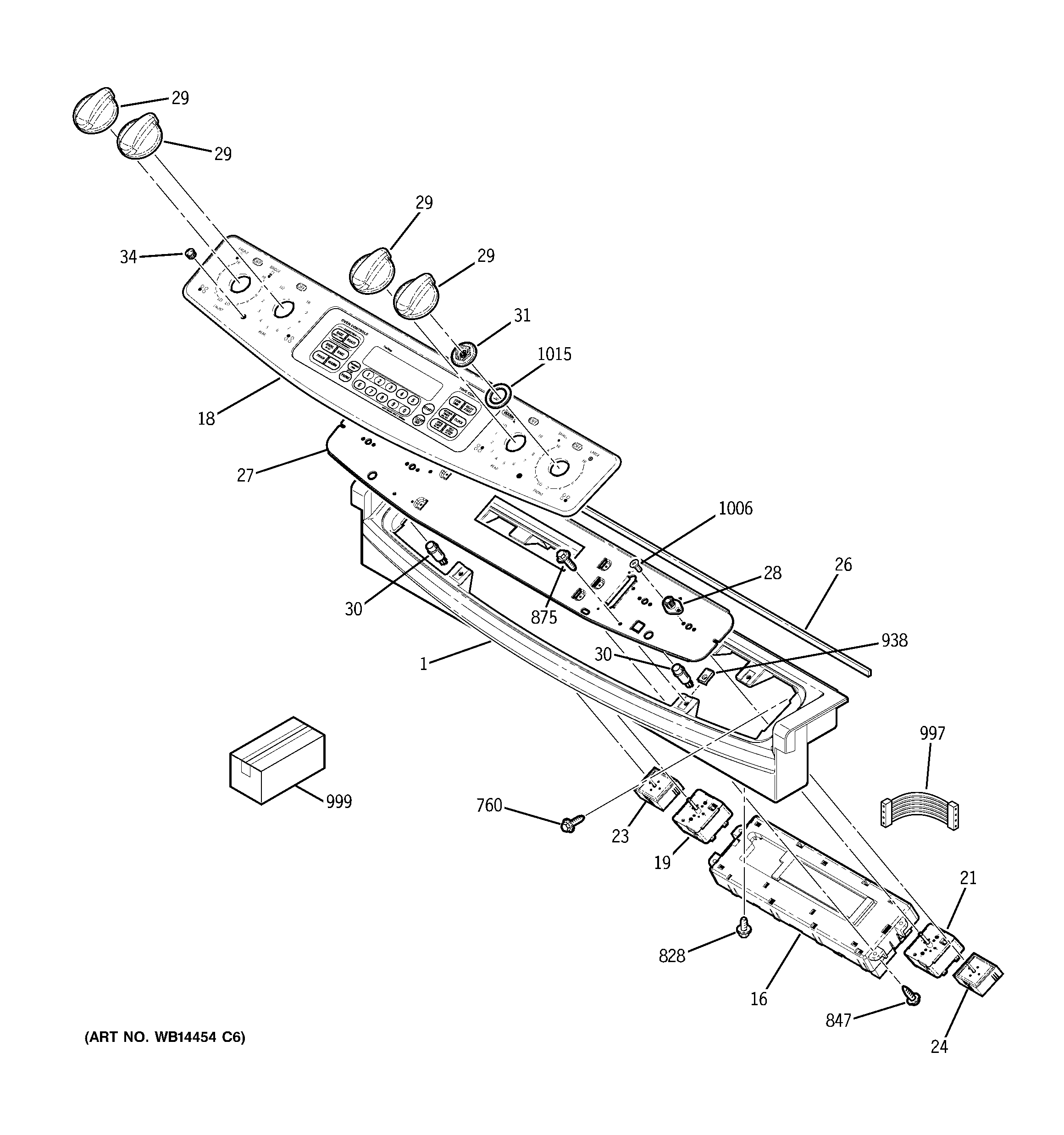
PCS968SP1SS CONTROL PANELadmin2025-04-26T11:48:27+00:00PCS968SP1SS CONTROL PANEL ProductsPositionProduct1WB36T10666 GE Oven Trim Piece16WB27T11151 GE Oven Control ERC18GEN WB27T1119219SWITCH INFINITE CONTROL21WB24T10012 GE Oven Infinite Switch23WB24T10134 GE Oven Infinite Control Switch24WB24T10139 GE Oven Infinite Switch Control26WB02X10742 GE Oven Control Panel Gasket27INSERT CONTROL PNL28WB02T10047 GE Oven Crystal Mount Assembly29GEN WB03T1026330WB25T10056 GE Oven Light Indicator31GEN WB02T1006831WB02T10046 GE Oven Crystal Retainer34WB25T10022 GE Oven Snap-In Lens760WB1X536 GE Oven Screw828WB1X1141 GE Oven Screw 8-32847WB1X1118 GE Oven Screw 6-32T875WH2X930 GE Screw875WZ4X245D GE Screw Package938WB1K5209 GE Oven Clip997WB18T10386 GE Oven Touch Glass Wire Harness999PM10X310 GE Cerama Bryte Cooktop Cleaner999GEN 31-10674999GEN 29-5632999GEN 31-147411006WB01T10053 GE Oven 8-32 TPT FLR Screw1015WASHER SS