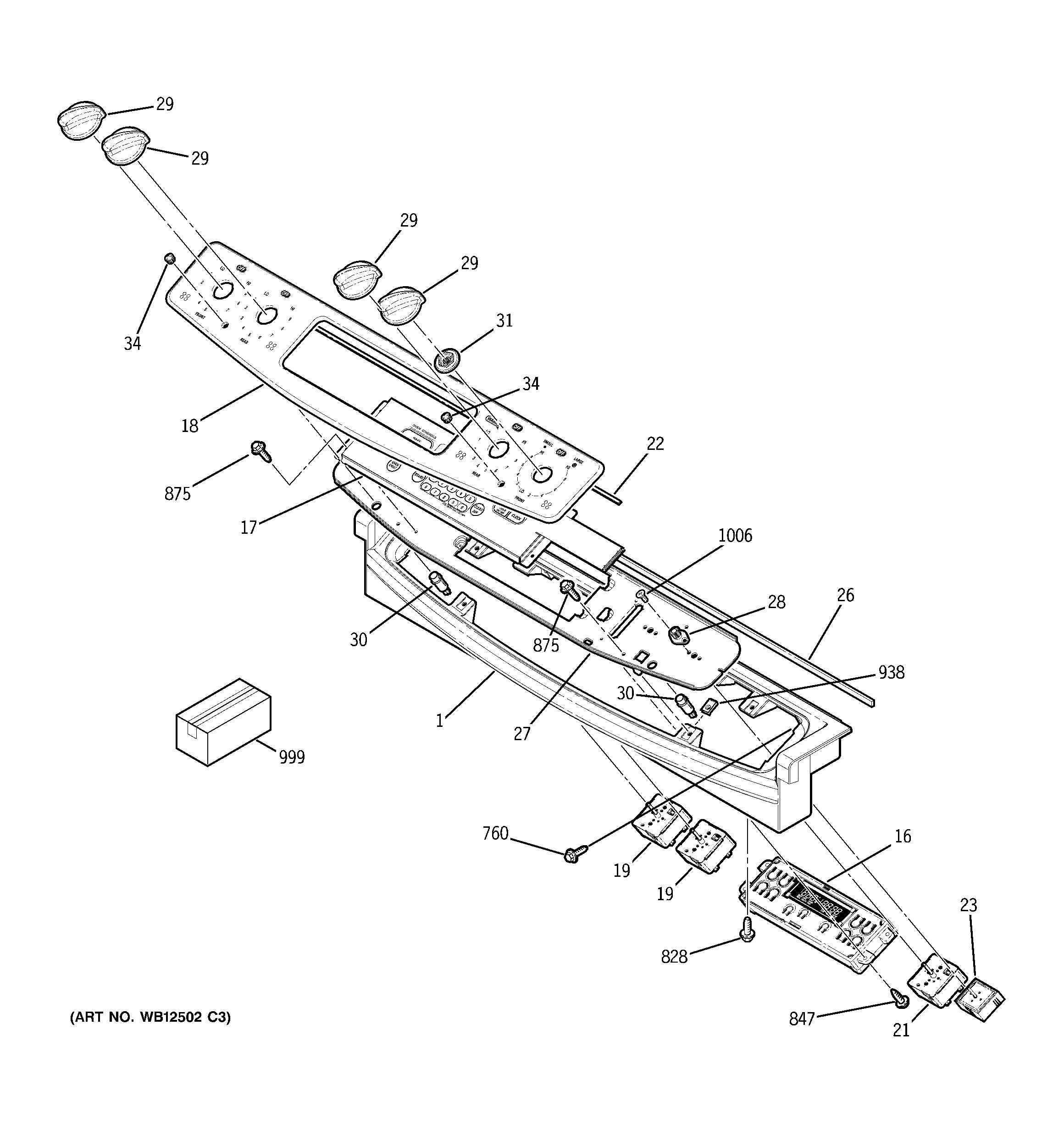
PD900DP3BB CONTROL PANEL