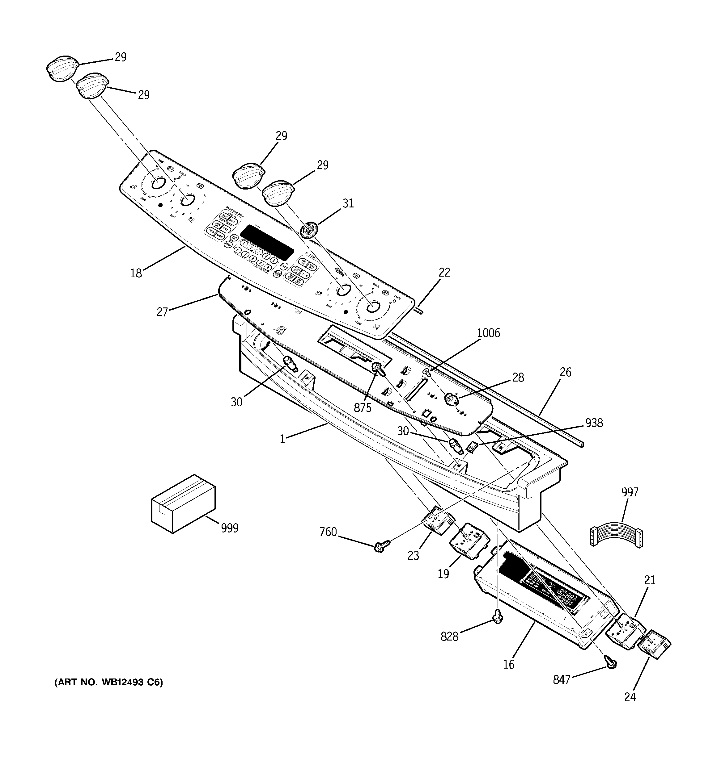
PD968DP3BB CONTROL PANEL