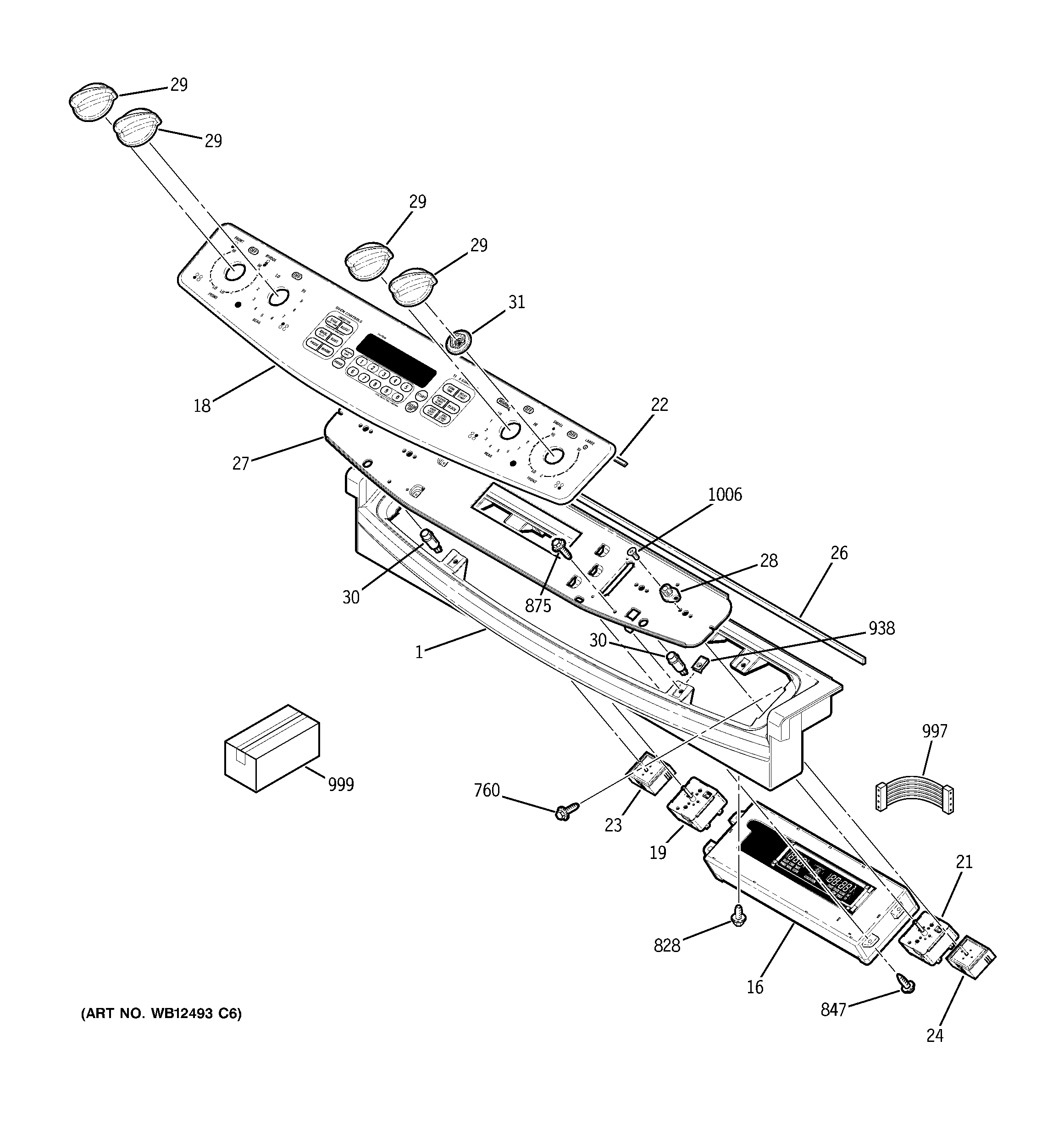
PD968TP1WW CONTROL PANEL