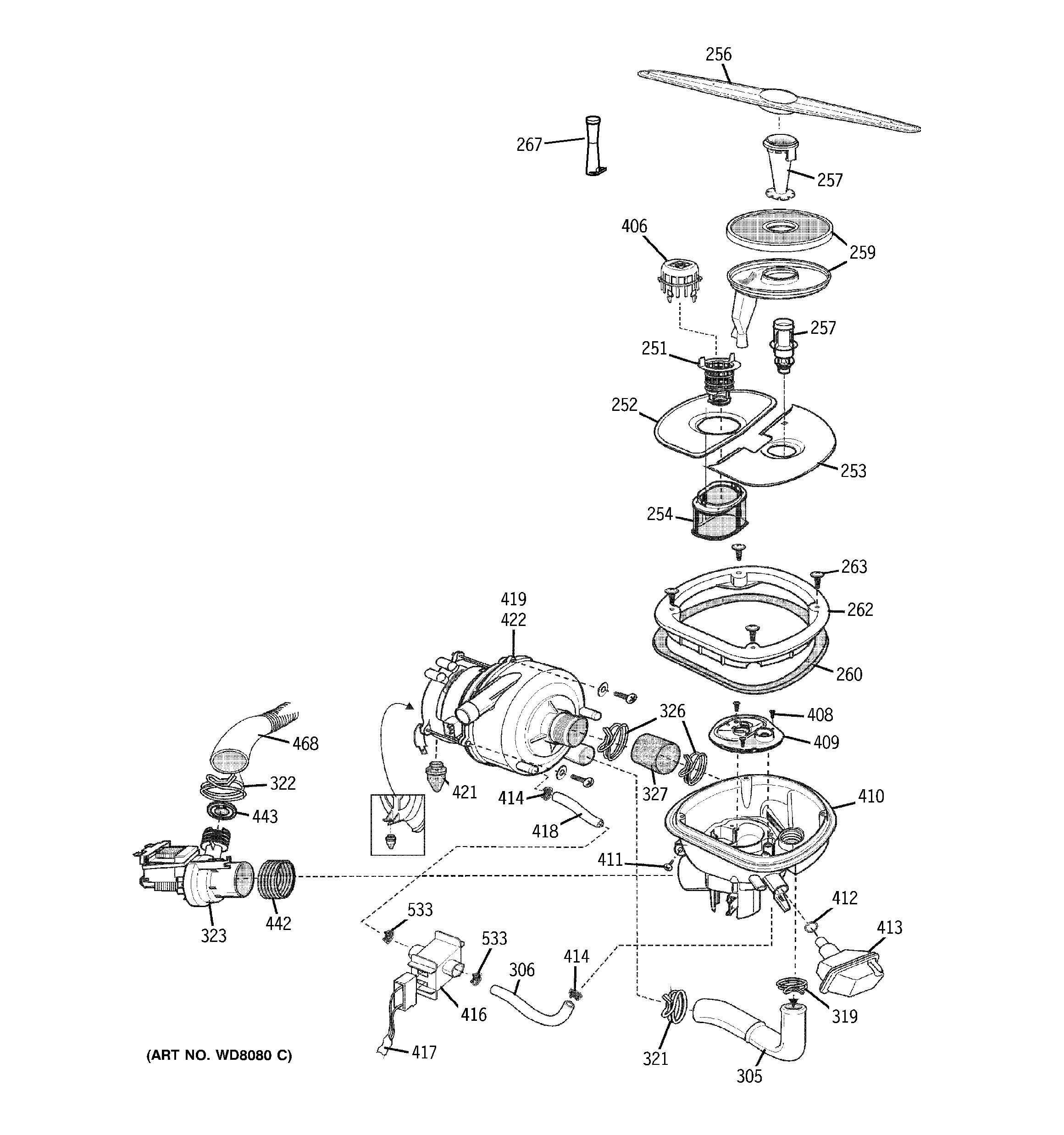
PDW8000G0BB SUMP ASSEMBLYadmin2025-04-26T13:11:20+00:00PDW8000G0BB SUMP ASSEMBLY ProductsPositionProduct251GEN WD18X10007252GEN WD18X10023253GEN WD18X10024254GEN WD18X10004256GEN WD22X10010257LOWER VENTURI ASSEMBLY259GEN WD22X10013260GEN WD19X10016262GEN WD17X10001263GEN WD02X10040267UPPER VENTURI ASSEMBLY305GEN WD24X10008306GEN WD18X10013319WD01X24246 GE Dishwasher Clamp321GEN WD01X10055322GEN WD01X10056323GEN WD19X10018326GEN WD01X10059327GEN WD19X10019406GEN WD18X10022408GEN WD02X10074409GEN WD18X10020410GEN WD18X10021411GEN WD02X10075412GEN WD01X10186413GEN WD28X10092414GEN WD01X10117416GEN WD21X10125417GEN WD21X10126418GEN WD18X10014419WASH PUMP ASSY.421GEN WD26X10017422GEN WD17X10004442GEN WD01X10124443GEN WD15X10005468GEN WD18X10018533GEN WD01X10129