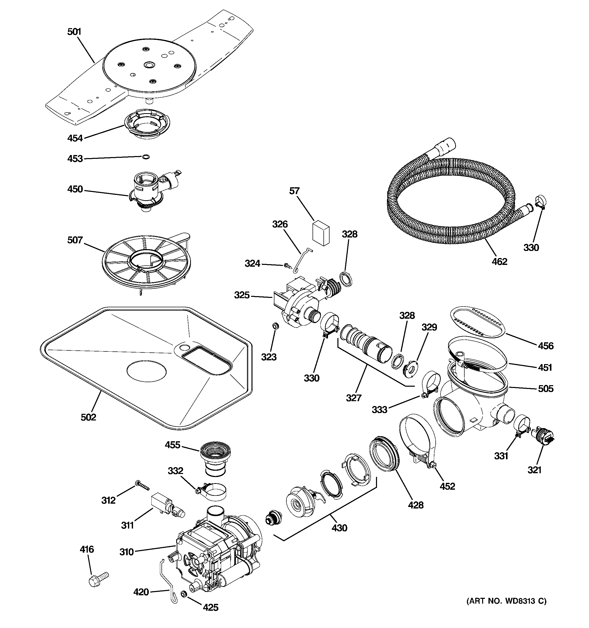
PDWT502P00II MOTOR-PUMP MECHANISMadmin2025-04-26T12:57:05+00:00PDWT502P00II MOTOR-PUMP MECHANISM ProductsPositionProduct57GEN WD01X10284310MECHANISM ASM311GEN WD21X10235312GEN WD02X10131321GEN WD21X10272323WD01X10269 GE Dishwasher Grommet324WR01X10652 GE Refrigerator Screw 8-18 AB IHW 5/8 S325GEN WD35X10064325GEN WD26X10037326GEN WD01X10282327WD12X10189 GE Dishwasher Pump Assembly Adaptor329GEN WD01X10176330WD01X10279 GE Dishwasher Clamp331WD01X10104 GE Dishwasher Hose Clamp332WD01X10103 GE Dishwasher Clamp333WD01X10105 GE Dishwasher Clamp416WD2X444 GE Dishwasher Mechanical Screw420WD01X10211 GE Dishwasher Mechanical Hanger Assembly425WD01X10101 GE Dishwasher Pump Grommet428WD12X10060 GE Dishwasher Suction Ring430WD19X10038 GE Dishwasher Impeller Kit450GEN WD18X10009451WD01X10210 GE Dishwasher Sump Clamp452WD1X1392 GE Dishwasher Sump Clamp453GEN WD01X10107454WD12X10061 GE Arm Retainer Nut455WD18X10010 GE Dishwasher Pump Connector Assembly456WD01X10219 GE Dishwasher Sump Plate462WD24X10045 GE Dishwasher Drain Tube Assembly501WD22X10062 GE Dishwasher Arm Spray Low Assembly502GEN WD22X10056505WD18X10026 GE Dishwasher Sump Inlet Assembly507WD12X10109 GE Dishwasher Fine Filter Assembly