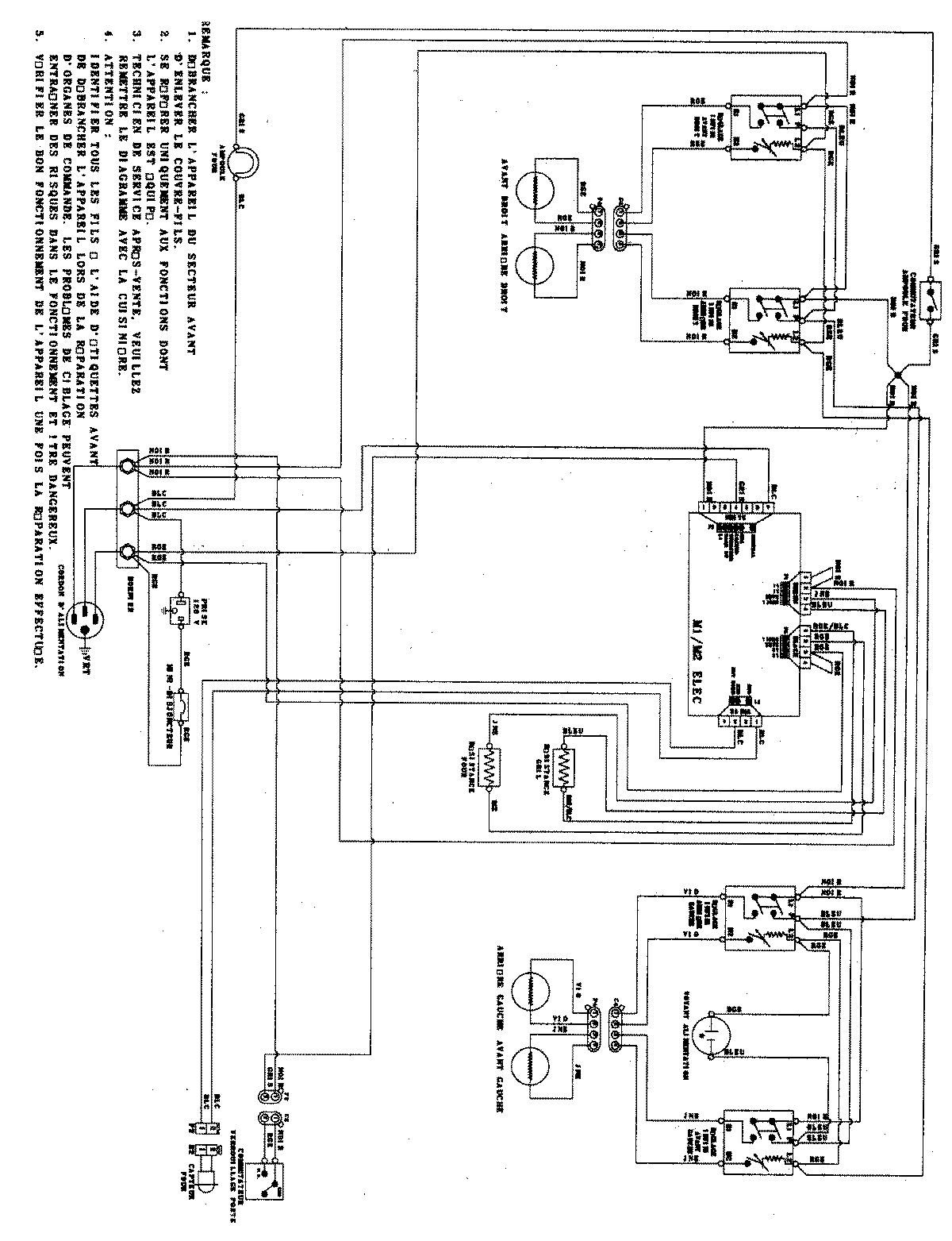
PER3525ACW 08 – WIRING INFORMATION

PER3525ACW 08 – WIRING INFORMATION

Products

PositionProduct
1MAY 15003612