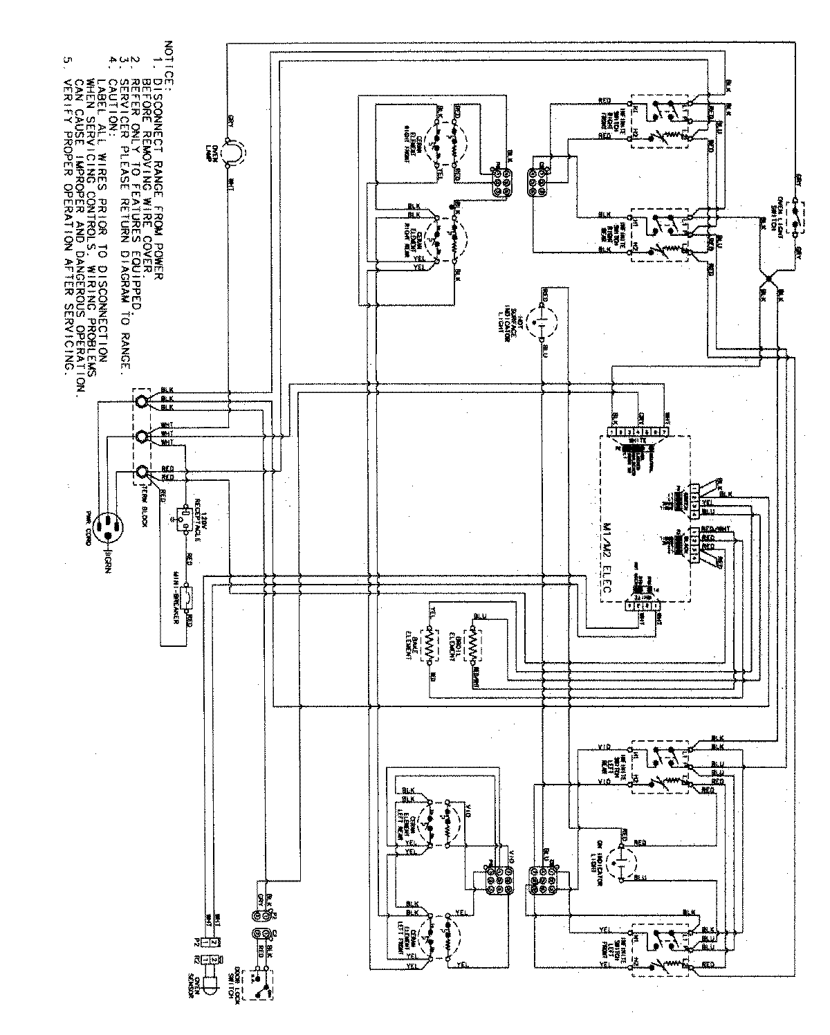
PER3724ACW 06 – WIRING INFORMATIONadmin2025-04-26T09:42:13+00:00PER3724ACW 06 – WIRING INFORMATION ProductsPositionProductNIMAY 15003613