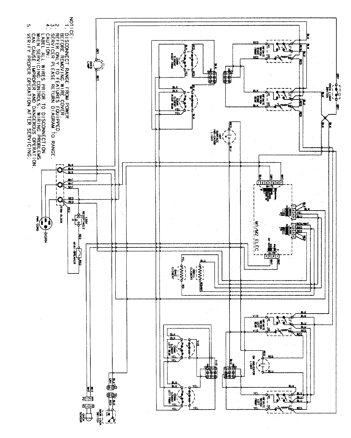
PER3725ACW 06 – WIRING INFORMATION

PER3725ACW 06 – WIRING INFORMATION

Products

PositionProduct
NIMAY 15003613