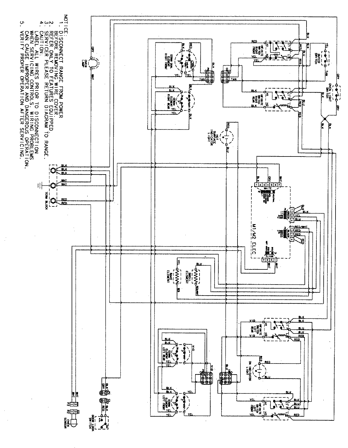
PER5720LAQ 06 – WIRING INFORMATIONadmin2025-04-26T09:40:49+00:00PER5720LAQ 06 – WIRING INFORMATION ProductsPositionProductNIMAY 15003514