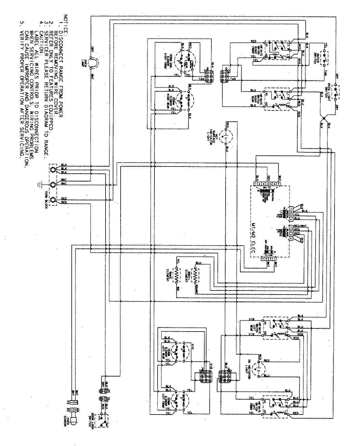
PER5720LAW 06 – WIRING INFORMATIONadmin2025-04-26T09:42:00+00:00PER5720LAW 06 – WIRING INFORMATION ProductsPositionProductNIMAY 15003514