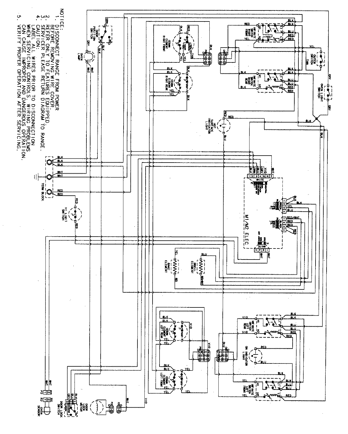
PER5750QAQ 06 – WIRING INFORMATIONadmin2025-04-26T09:40:21+00:00PER5750QAQ 06 – WIRING INFORMATION ProductsPositionProductNIMAY 15003695