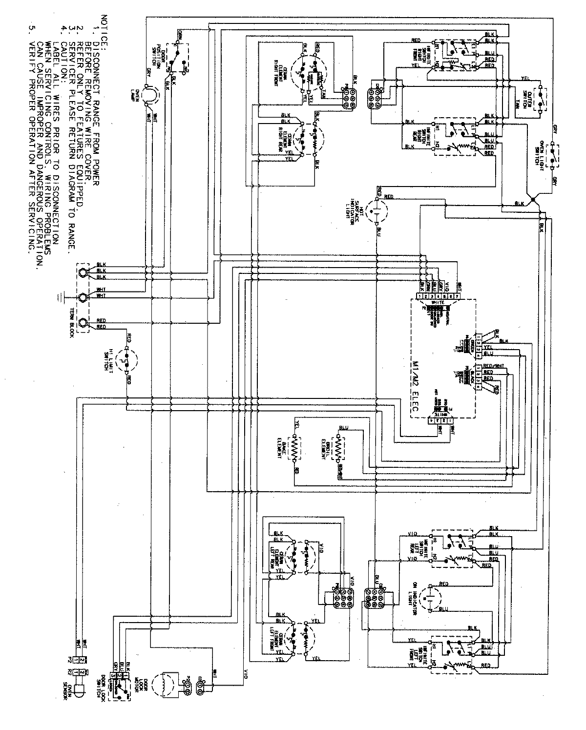
PER5750QAW 06 – WIRING INFORMATIONadmin2025-04-26T09:43:06+00:00PER5750QAW 06 – WIRING INFORMATION ProductsPositionProductNIMAY 15003695