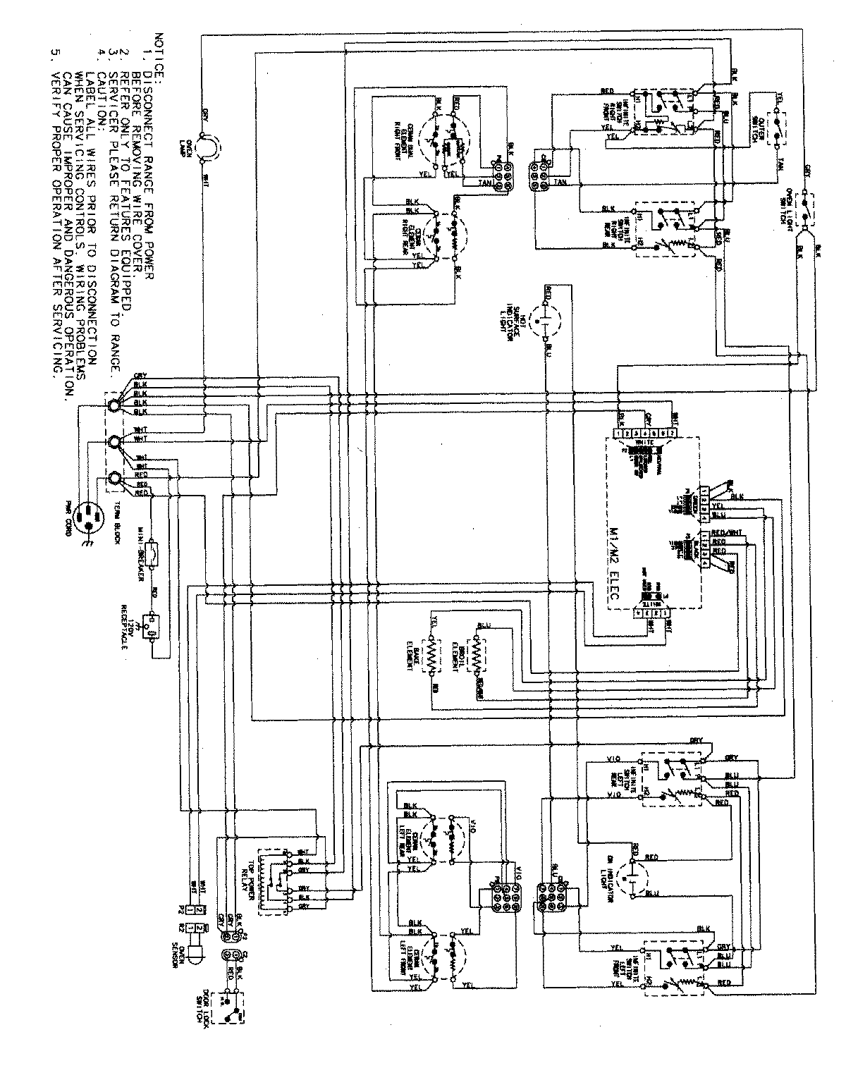
PERL451ACQ 06 – WIRING INFORMATIONadmin2025-04-26T09:42:29+00:00PERL451ACQ 06 – WIRING INFORMATION ProductsPositionProductNIMAY 15003764