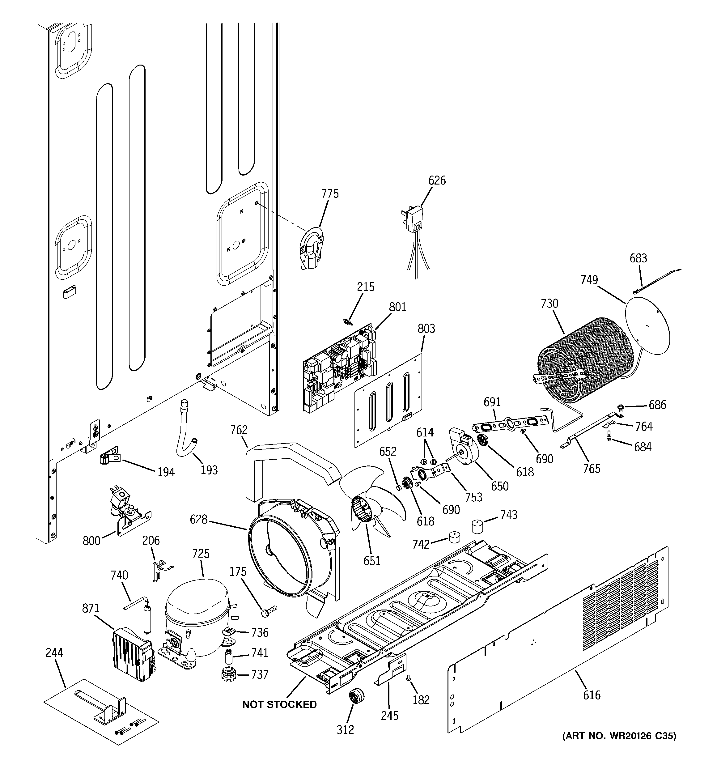
PFCS1NFYCSS MACHINE COMPARTMENTadmin2025-04-26T12:54:11+00:00PFCS1NFYCSS MACHINE COMPARTMENT ProductsPositionProduct175WR01X10652 GE Refrigerator Screw 8-18 AB IHW 5/8 S182WR01X10622 GE Refrigerator Screw 10-32 B IHXW 1/2193TUBE DRAIN194WR01X10684 GE Refrigerator Cable Clamp206WR02X12377 GE Drain Tube Clip215WR02X10663 GE Refrigerator Standoff244WR49X10179 GE Refrigerator Kit Anti Tip Assembly245WR17X12267 GE Anti-Tip Bracket312WR02X12000 GE Refrigerator Mobility Wheel S Kit Assembly614BUMPER616WR82X10103 GE Refrigerator Access Cover618WR02X11331 GE Refrigerator Grommet626WR23X10300 GE Refrigerator Power Cord Assembly628WR17X12668 GE Refrigerator Condenser Shroud650WR60X10209 GE Refrigerator DC Condenser Fan Motor651WR60X24484 GE Refrigerator Condenser Fan Blade652WR02X12149 GE Refrigerator Ring683WR02X11027 GE Wire Tie684WR01X10602 GE Refrigerator Screw 8-32 AB IHWS 3/8 S686WR01X10654 GE Refrigerator Screw 10-32 TT HXW 5/16 S690WZ5X158D GE Screw Package of 12691WR02X10593 GE Refrigerator Bracket Condenser Fan (Rear)725COMPRESSOR VCC3 REPL. KI730WR84X10022 GE Refrigerator Condenser Replacement Kit736GEN WR02X8203737WR02X22869 GE Refrigerator Grommet740WR86X25269 GE Refrigerator R134 Dryer741WR1X1779 GE Refrigerator Stud Mounting Compressor742GEN WR02X10587743GEN WR02X10588749WR17X13159 GE Refrigerator Baffle Condenser Air753WR02X11863 GE Refrigerator Condenser Fan Bracket (Mounting)762WR14X10053 GE Refrigerator Foam Strip Adhesive764WR2X9000 GE Refrigerator Condenser Clip765WR17X10763 GE Condenser Bracket Bar775WR17X10796 GE Refrigerator Water Line Cover800WR57X10086 GE Refrigerator Valve and Tube Assembly801BOARD ASM MAIN CONTROL803WR02X12025 GE Main Board Enclosure871WR49X10283 GE Refrigerator Inverter Kit with Jumpers