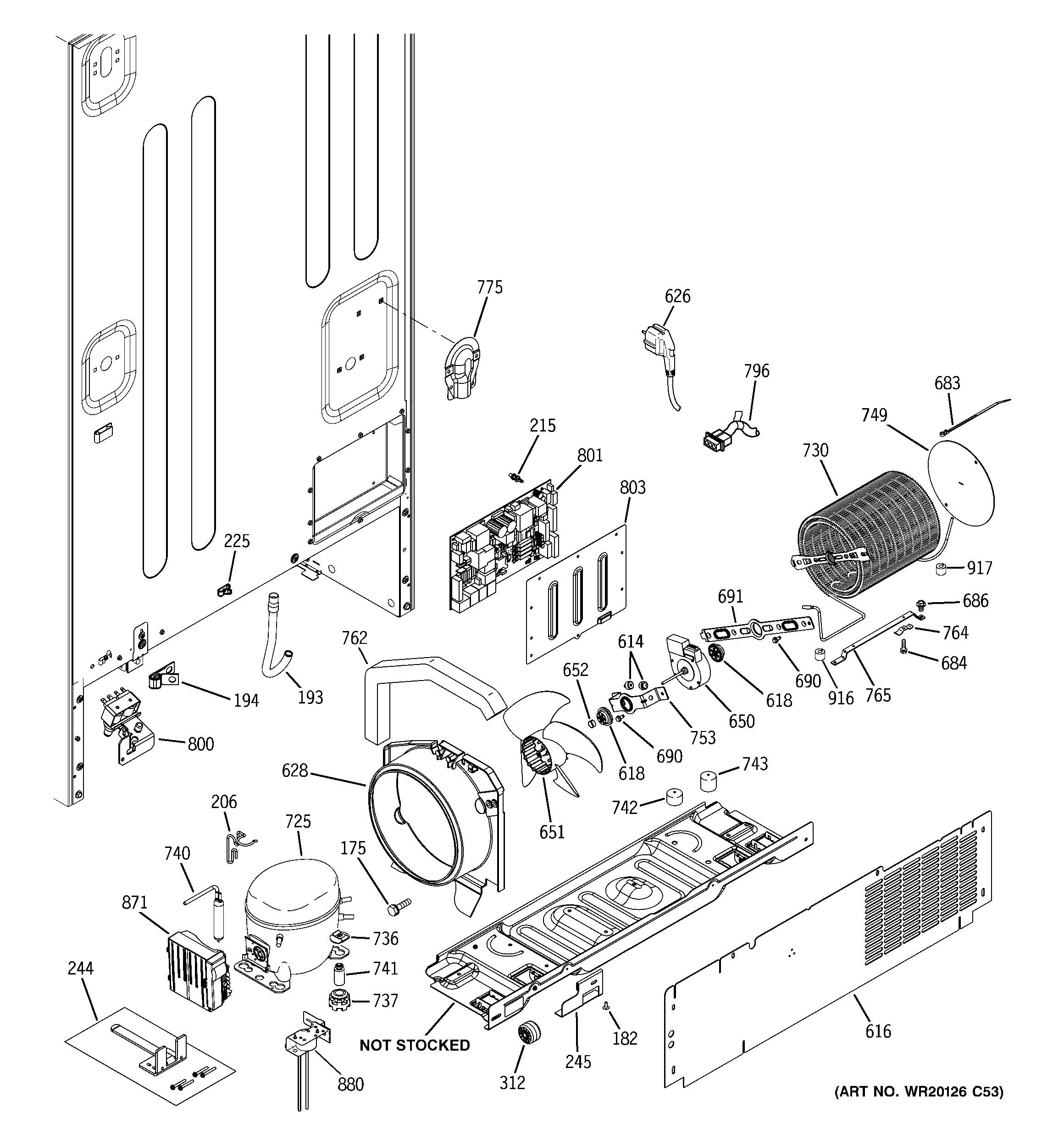
PFCU1NJZHDSS MACHINE COMPARTMENT

PFCU1NJZHDSS MACHINE COMPARTMENT

Products

PositionProduct
175WR01X10652 GE Refrigerator Screw 8-18 AB IHW 5/8 S
182WR01X10622 GE Refrigerator Screw 10-32 B IHXW 1/2
193TUBE DRAIN
194WR01X10684 GE Refrigerator Cable Clamp
206WR02X12377 GE Drain Tube Clip
215WR02X10663 GE Refrigerator Standoff
225FREEZER LIGHT SWITCH
244KIT ANTI TIP ASM
245WR17X12267 GE Anti-Tip Bracket
312WR02X10695 GE Refrigerator Wheel
614BUMPER
616GEN WR82X10100
618WR02X11331 GE Refrigerator Grommet
626GEN WR23X10721
628WR17X12668 GE Refrigerator Condenser Shroud
650WR60X10209 GE Refrigerator DC Condenser Fan Motor
651WR60X24484 GE Refrigerator Condenser Fan Blade
652WR02X12149 GE Refrigerator Ring
683WR02X11027 GE Wire Tie
684WR01X10602 GE Refrigerator Screw 8-32 AB IHWS 3/8 S
686WR01X10654 GE Refrigerator Screw 10-32 TT HXW 5/16 S
690WZ5X158D GE Screw Package of 12
691WR02X10593 GE Refrigerator Bracket Condenser Fan (Rear)
725COMPRESSOR VCC3 REPL. KI
730WR84X10022 GE Refrigerator Condenser Replacement Kit
736GEN WR02X8203
737WR02X22869 GE Refrigerator Grommet
740WR86X25269 GE Refrigerator R134 Dryer
741WR1X1779 GE Refrigerator Stud Mounting Compressor
742GEN WR02X10587
743GEN WR02X10588
749WR17X13159 GE Refrigerator Baffle Condenser Air
753WR02X11863 GE Refrigerator Condenser Fan Bracket (Mounting)
762WR14X10053 GE Refrigerator Foam Strip Adhesive
764WR2X9000 GE Refrigerator Condenser Clip
765WR17X10763 GE Condenser Bracket Bar
775WR17X10796 GE Refrigerator Water Line Cover
796GEN WR23X10495
800WR57X10065 GE Refrigerator Water Valve
801BOARD ASM MAIN CONTROL
803WR02X12025 GE Main Board Enclosure
871WR55X20106 GE Control Board
880HARNESS JUMPER PWR
916WR02X13569 GE Refrigerator Sound Damper
917WR02X13573 GE Refrigerator Sound Damper