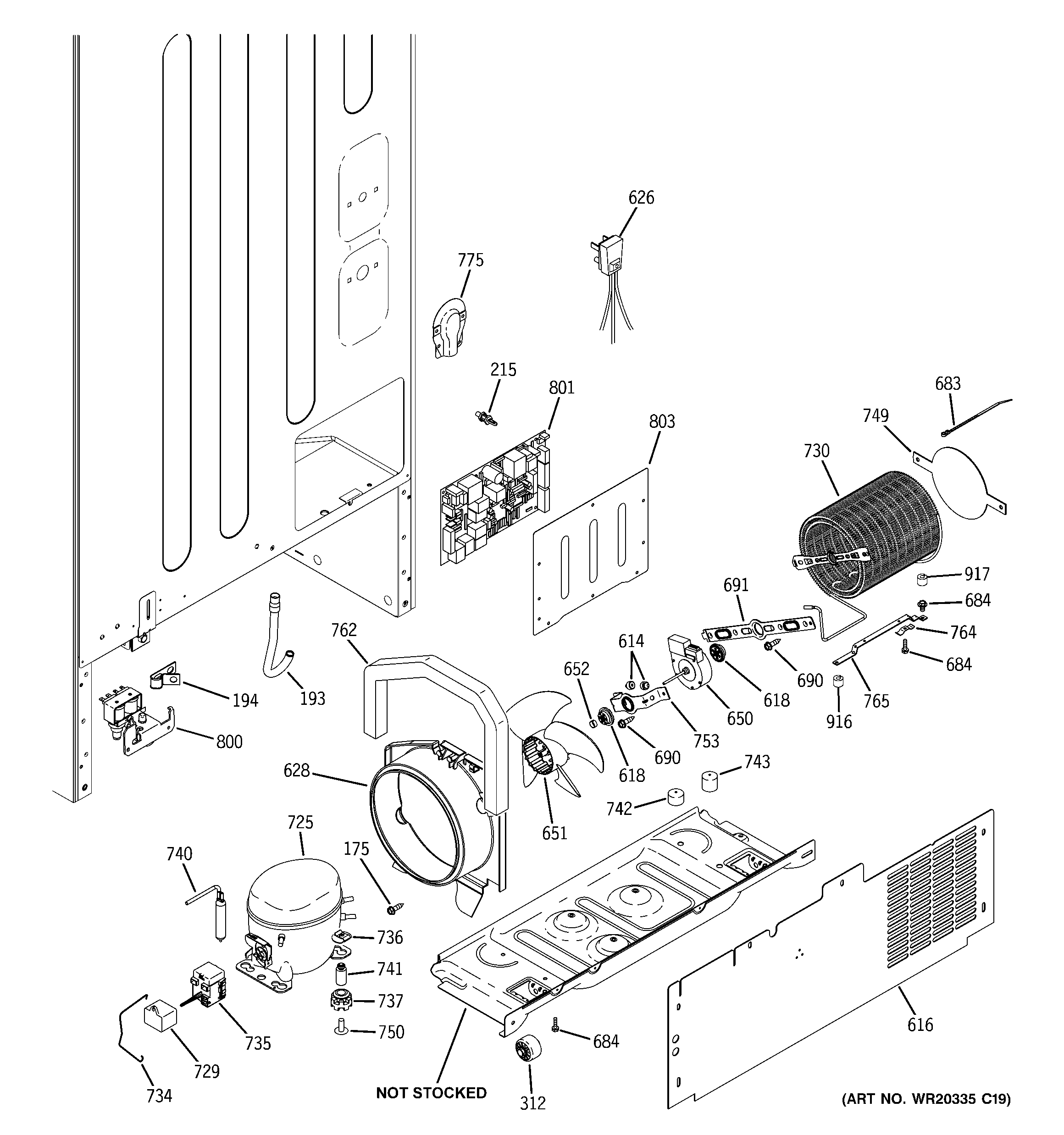
PFSF0MFCA BB MACHINE COMPARTMENTadmin2025-04-26T11:02:19+00:00PFSF0MFCA BB MACHINE COMPARTMENT ProductsPositionProduct175WR01X10652 GE Refrigerator Screw 8-18 AB IHW 5/8 S194WR01X10684 GE Refrigerator Cable Clamp215WR02X10663 GE Refrigerator Standoff312WR02X10695 GE Refrigerator Wheel614BUMPER616WR82X22566 GE Cover Access Assembly618WR02X10520 GE Refrigerator Fan Motor Grommet626WR23X10300 GE Refrigerator Power Cord Assembly628WR17X12668 GE Refrigerator Condenser Shroud650WR60X10209 GE Refrigerator DC Condenser Fan Motor652WR02X12149 GE Refrigerator Ring683WR02X11027 GE Wire Tie684WR01X10654 GE Refrigerator Screw 10-32 TT HXW 5/16 S684WR01X10602 GE Refrigerator Screw 8-32 AB IHWS 3/8 S690WZ5X158D GE Screw Package of 12691WR02X10593 GE Refrigerator Bracket Condenser Fan (Rear)725WR87X20798 GE Refrigerator High Side Assembly729WR55X24064 GE Refrigerator Run Capacitor730CONDENSER & BRKT ASM734WR02X11999 GE Refrigerator Clip Retainer735WR09X10105 GE Refrigerator Overload PTCR736GEN WR02X8203737WR02X22869 GE Refrigerator Grommet742GEN WR02X10587743GEN WR02X10588750WR1X1786 GE Refrigerator Screw764WR2X9000 GE Refrigerator Condenser Clip765BRACKET CONDENSER BAR800WR57X10086 GE Refrigerator Valve and Tube Assembly801WR55X11022 GE Refrigerator Main Control Board Assembly803GEN WR02X12027916WR02X13569 GE Refrigerator Sound Damper917WR02X13573 GE Refrigerator Sound Damper