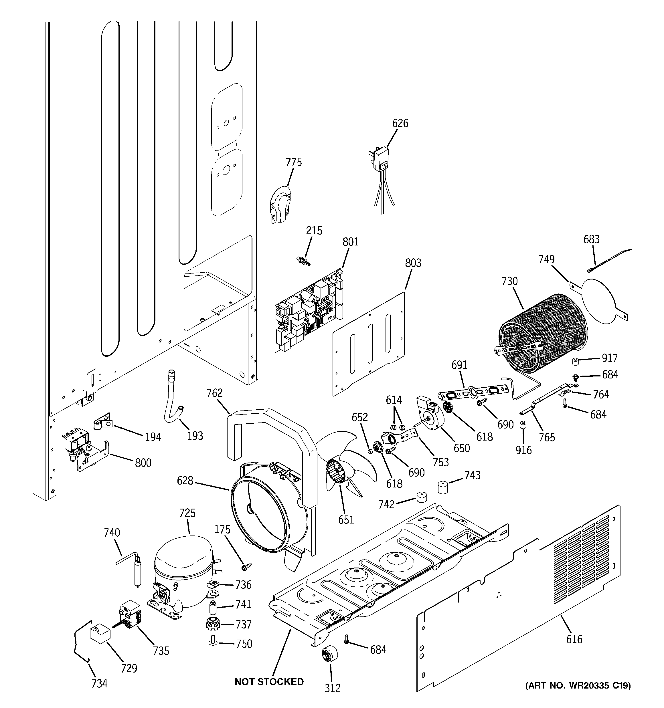
PFSF0MFCA WW MACHINE COMPARTMENT