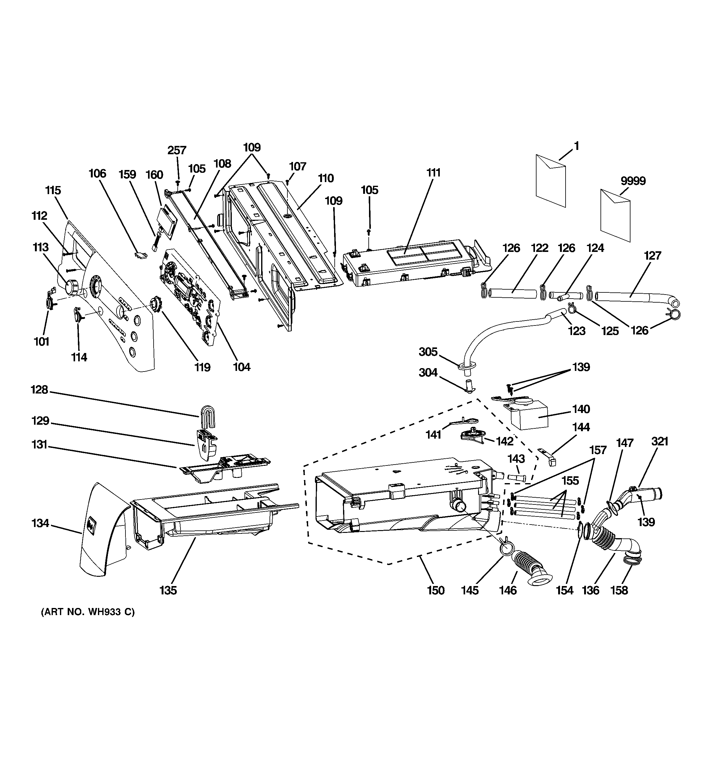
PFWS4605L0MV CONTROLS & DISPENSERadmin2025-04-26T12:52:56+00:00PFWS4605L0MV CONTROLS & DISPENSER ProductsPositionProduct1GEN 49-90391-11GEN 49-903911GEN 31-30624101GEN WH01X10372104GEN WH12X10469105WH02X10181 GE Screw ST3.5 x 11106GEN WH01X10526107WH02X10183 GE Screw ST4 13108GEN WH16X10107109WH02X10184 GE Screw 4.2 x 13110GEN WH46X10240111GEN WH12X10486112WH02X10185 GE Screw ST4 25113GEN WH11X10058114GEN WH01X10514115GEN WH42X10868115GEN WH42X10867119GEN WH01X10518122GEN WH41X10108123GEN WH41X10109124GEN WH41X10110125GEN WH01X10243126WH01X10244 GE Pipe Clamp 3-Way127GEN WH41X10111128WH41X10179 GE Siphon Pipe129WH41X10264 GE Liquid Detergent Insert131WH41X10181 GE Bleach Softener Cover134GEN WH41X10261134GEN WH41X10260135WH41X10185 GE Drawer Dispenser Assembly136WH41X10257 GE Water Inlet Pipe139GEN WH02X10186140WH43X10059 GE Washer Dispenser Actuator141WH01X10247 GE Diverter Indicator142WH01X10376 GE Washer Lever Plate143WH41X10121 GE Washer Dispenser Inlet144WH01X10249 GE Dispenser Clamp145GEN WH01X10250146GEN WH41X10122147WH02X10341 GE Washer Water Inlet Hose150GEN WH41X10187154GEN WH01X10377155GEN WH41X10205157GEN WH01X10429158WH01X10379 GE Washer Water Inlet Hose159GEN WH19X10056160GEN WH12X10389257WH02X10201 GE Screw ST4.2 13304GEN WH08X10021305GEN WH02X10206321WH41X10249 GE Vent Hose9999KIT - SHIPPING BOLT