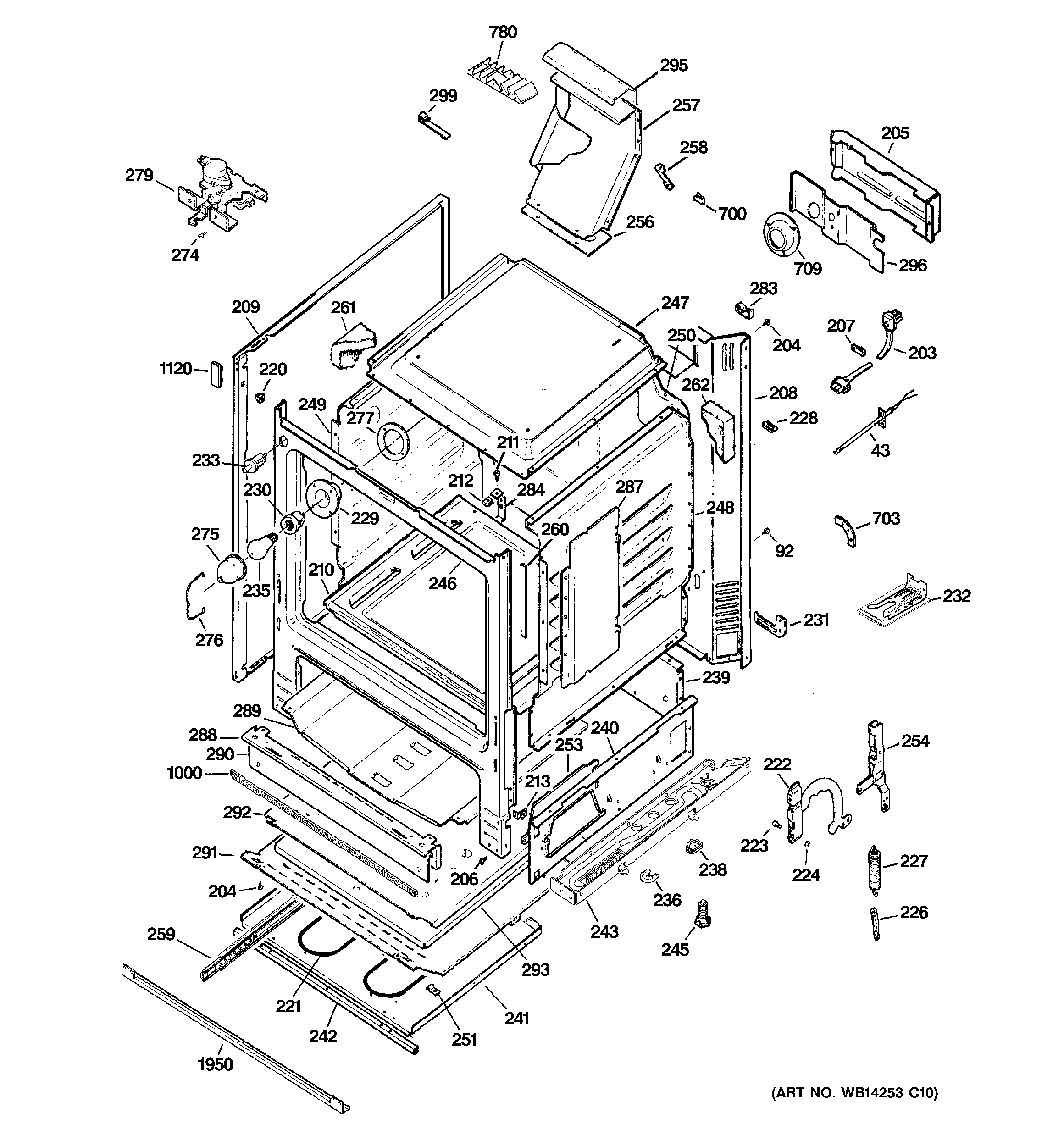
| 43 | TEMPERATURE SENSOR |
| 92 | WB1X1261 GE Oven Screw |
| 203 | GEN WB18K10054 |
| 204 | WB1K5062 GE Oven Screw |
| 204 | WZ4X345D GE Screw Package 12 C92 |
| 204 | WB1K84 GE Oven Screw and |
| 205 | GEN WB34K0006 |
| 206 | WB01K10091 GE Oven Screw |
| 207 | WB2K36 GE Oven Clamp Cable |
| 208 | GEN WB63K10180 |
| 209 | WB63K10119 GE Oven Side Panel, Black |
| 210 | WB35X37973 GE Oven Bottom and Deflector Assembly |
| 211 | WB1K5 GE Oven Screw 8-18 X B97 |
| 212 | WB1K2 GE Oven Speednut |
| 213 | WB1K3 GE Oven Speed Nut |
| 220 | GEN WB02K0008 |
| 221 | WB44K10011 GE Oven Heating Element |
| 222 | WB10K12 GE Oven Hinge Assembly |
| 223 | GEN WB02X6195 |
| 224 | RING RETAINING |
| 226 | GEN WB02K0011 |
| 227 | GEN WB09K0005 |
| 228 | GEN WB02X7066 |
| 229 | GEN WB08K0001 |
| 230 | WB08T10026 GE Range Push-In Receptacle |
| 231 | GEN WB02K0012 |
| 232 | WB2K20 GE Oven Bracket Assembly |
| 233 | WB24K10068 GE Oven Plunger Switch |
| 235 | RANGE ONLY 40W 120V APPL BULB |
| 236 | WB02K10104 GE Base Spacer |
| 238 | GEN WB02K10153 |
| 238 | GEN WB02K10154 |
| 239 | WB63K10203 GE Oven Rear Broil Panel |
| 240 | WB63K3 GE Oven Panel Side Broil |
| 240 | GEN WB63K0002 |
| 241 | GEN WB63K10041 |
| 242 | GEN WB63K0005 |
| 243 | WB63K10233 GE Oven Support Base |
| 243 | WB63K10232 GE Oven Support Base |
| 245 | WB02K10182 GE Oven Leveling Leg |
| 246 | GEN WB63K10175 |
| 247 | WB53K10015 GE Oven Top |
| 248 | WB53K10034 GE Oven Right Side |
| 249 | WB53K10035 GE Oven Left Side |
| 250 | GEN WB53K10024 |
| 251 | WB02K10023 GE Oven Heating Element Clamp |
| 253 | WB2K4 GE Cover Accessory Spring |
| 254 | SUPPORT ASM RIVET RT |
| 254 | SUPPORT ASM RIVET LF |
| 254 | GEN WB01K0053 |
| 256 | GEN WB32K0001 |
| 257 | WB38K10008 GE Oven Vent Assembly |
| 258 | WB38K2 GE Range Vent Brace |
| 259 | WB39K10020 GE Oven Right Drawer Slide Assembly |
| 259 | WB39K10021 GE Oven Left Drawer Slide Assembly |
| 260 | GASKET OVEN SEAL |
| 261 | GEN WB35K10158 |
| 262 | GEN WB35K10161 |
| 274 | GEN WB01K0044 |
| 275 | WB36X192 GE Oven Light Cover |
| 276 | WB2K27 GE Oven Bail |
| 277 | GEN WB32K0005 |
| 279 | WB02K10136 GE Oven Motor Switch Assembly |
| 283 | WB02X21679 GE Oven Wire Clip |
| 284 | WB2K32 GE Oven Support Bracket |
| 287 | GEN WB34K0031 |
| 287 | WB34K30 GE Radiation Guard |
| 288 | BRACE |
| 289 | WB34K10086 GE Oven Lower Heat Shield |
| 290 | GEN WB34K0012 |
| 291 | WB63K16 GE Oven Bottom Guard |
| 292 | GEN WB63K10117 |
| 293 | GEN WB63K0018 |
| 295 | GEN WB35K10036 |
| 296 | WB34K13 GE Oven B Panel Cover |
| 299 | GEN WB02K0038 |
| 700 | RETAINER-INSULATION |
| 703 | BRACKET OVEN |
| 709 | GEN WB08K0004 |
| 780 | WB38K10022 GE Oven Diffuser Vent |
| 1000 | WB04K10021 GE Oven Front Frame Gasket |
| 1120 | WB02K10178 GE Oven Bumper |
| 1950 | WB01K10072 GE Oven Front Bottom Trim |