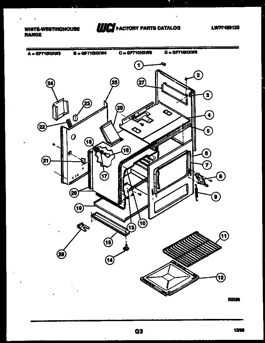
PGF201HXD0 06 – BODY PARTSadmin2025-04-26T11:54:06+00:00PGF201HXD0 06 – BODY PARTS ProductsPositionProduct1WCI Q0003018312WCI AP001720023WCI Q0003019464WCI A0740620005AWCI Q0003019725WCI Q0003019715BWCI Q0003019845CWCI Q0003019856WCI Q0003018347318348801 Frigidaire Oven Left Side Door Hinge7AHINGE DOOR RT8WCI AP003260509WCI AP0033905310WCI AP0030104211WCI Q00030197012WCI AP7405500013WCI Q00031010814WCI A09837300015BRACKET-INSTALLATION (2)16WCI A01104900017WCI Q00013423418WCI 313104419WCI A0050800020WCI A07406000021WCI A09204900022WCI Q00031006723WCI A06104400023AWCI A061074000