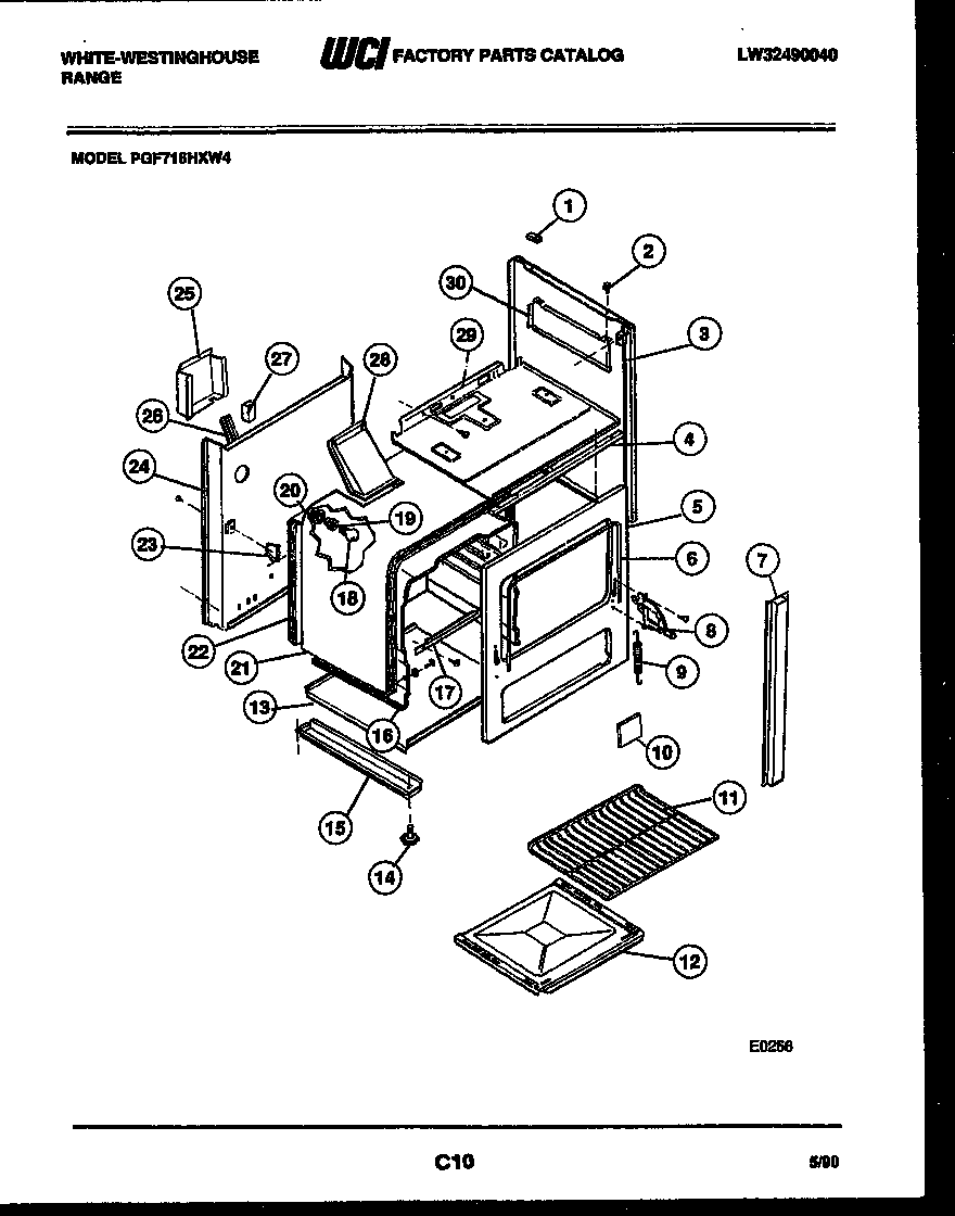
PGF716HXD4 07 – BODY PARTSadmin2025-04-26T11:34:00+00:00PGF716HXD4 07 – BODY PARTS ProductsPositionProduct*30080CLIP,BODYSIDE*30080REFLECTOR PLATE (NON-ILLUSTRATED)*30080ANTI-TIP KIT1GROMMET-MAINTOP2GROMMET3PANEL BODYSIDE-ALMD4SUPPORT-CONTROL PANEL5WCI 32055786DOOR SEAL7PANEL - FILLER (WHITE)8A318348801 Frigidaire Oven Left Side Door Hinge8HINGE ASSY-RH9SPRING-OVEN DOOR (2)10SUPPORT - BASE RAIL (2)11OVEN RACK (2)12WCI 301828213WCI 301164514LEG LEVELLER (4)15RAIL-BASE16AOVEN LINER-SIDE LH16OVEN LINER-SIDE RH16CWCI 301828616BWCI 301834717SUPPORT-OVEN BOTTOM18316538904 Frigidaire Oven Lamp Light19316116400 Frigidaire Oven Light Socket20WCI 305151121WCI 301717122WCI 301717223SUPPORT-REAR OVN (2)24WCI 0801394525WCI 301834026CHANNEL - MAIN WIRE27WCI 530301833828WCI 301717329WCI 301799330ASHIELD-BURNER BOX LH30SHIELD-BURNER BOX RH