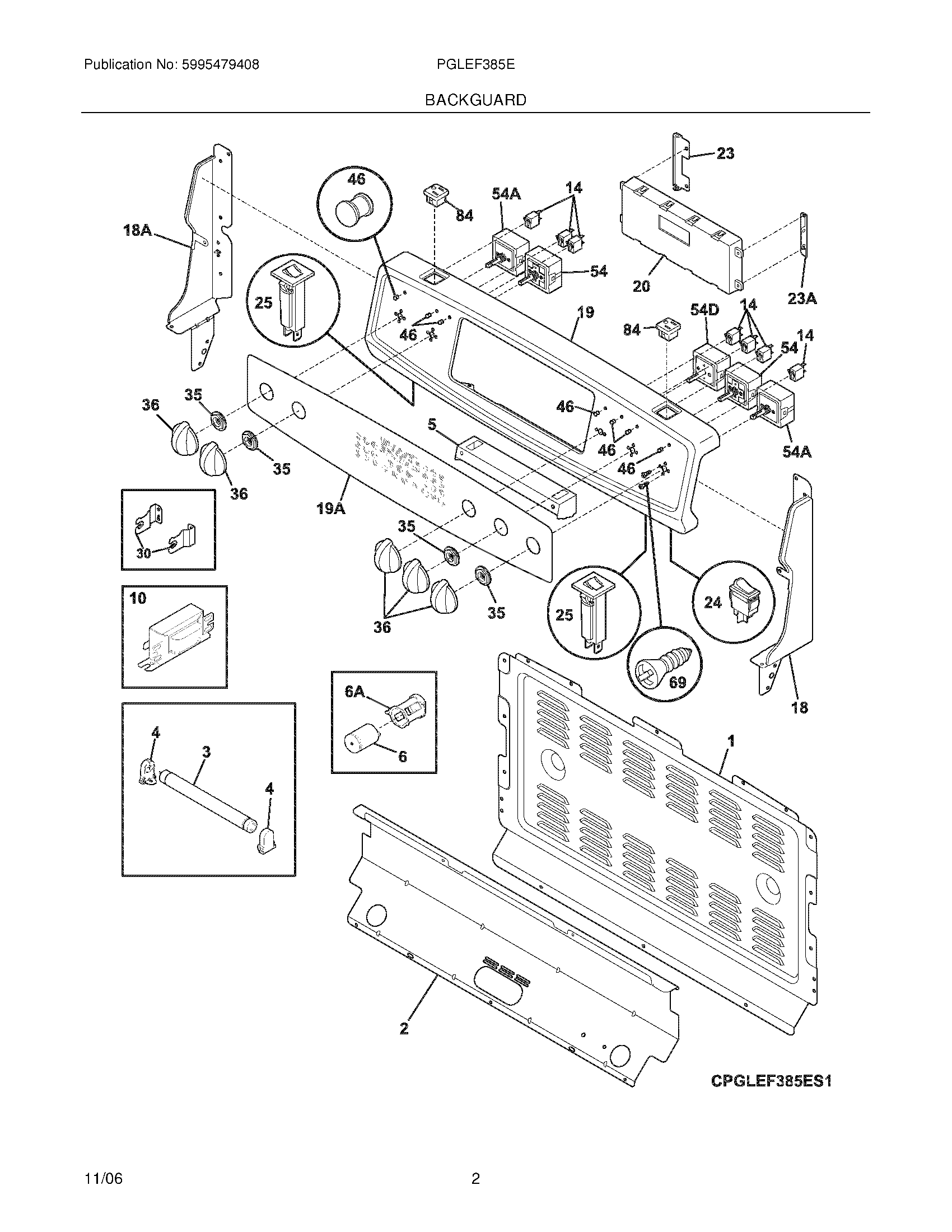
PGLEF375ES5 03 – BACKGUARDadmin2025-04-26T11:54:00+00:00PGLEF375ES5 03 – BACKGUARD ProductsPositionProductNISCREW,TRUSS HEAD,8-18 X 0.375NI903136-9040 Frigidaire Oven SwitchNIWCI 318232103NI5303323137 Frigidaire Oven ScrewNI5303211311 Frigidaire Refrigerator Screw1WCI 3183141002WCI 3182882013WCI 53044488254WCI 3183234015WCI 3182880006WCI 53044488266AWCI 31811040010WCI 31812280414316022500 Frigidaire Oven Warmer Drawer Zone Indicator Light Lamp18AWCI 31828790318WCI 31828790219AWCI 31832290919WCI 31828863220WCI 31641854023AWCI 31830860023WCI 318308500245304527842 Frigidaire Rocker Switch25WCI 31832420030WCI 31831690035WCI 31833540036WCI 318197620465304462665 Frigidaire Oven Lens Kit54DWCI 31807880454A318191024 Frigidaire Oven Range Dual Element Switch54903136-9030 Frigidaire Oven Switch695303288565 Frigidaire Screw84WCI 318146830