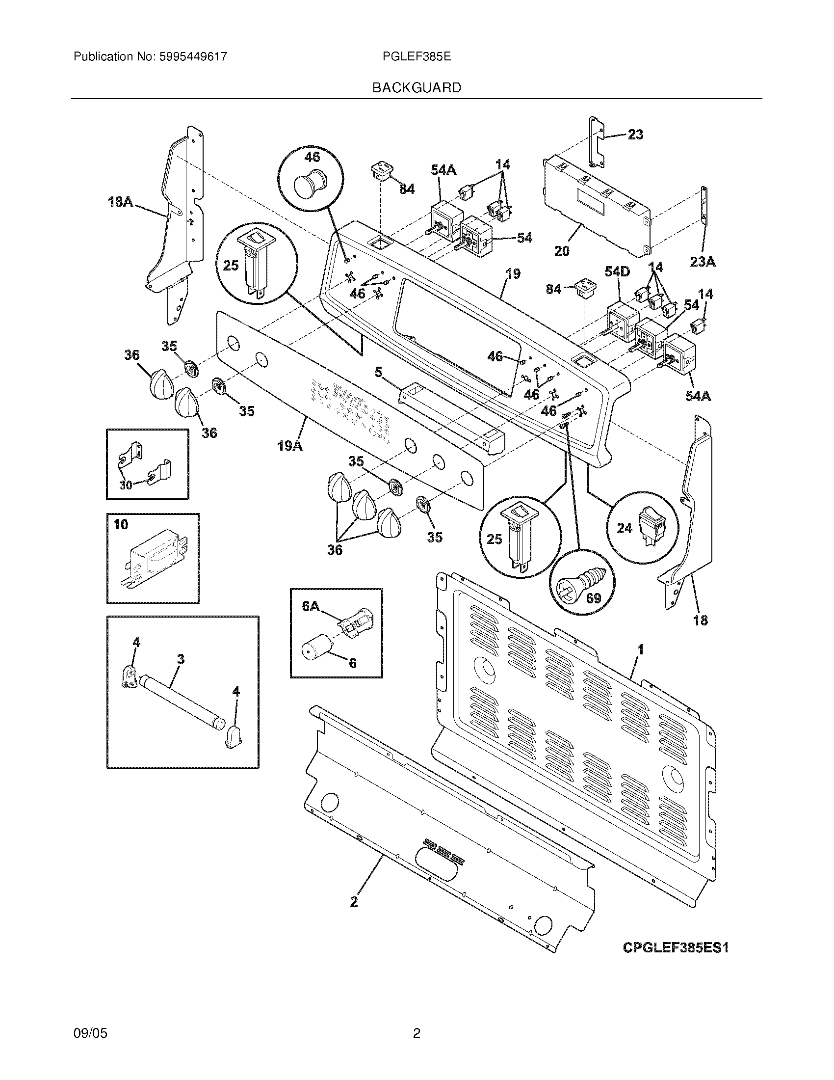
PGLEF385EB1 03 – BACKGUARDadmin2025-04-26T11:52:37+00:00PGLEF385EB1 03 – BACKGUARD ProductsPositionProductNISCREW,TRUSS HEAD,8-18 X 0.375NIWCI 318232101NI5303323137 Frigidaire Oven ScrewNI5303211311 Frigidaire Refrigerator Screw1WCI 3183141002WCI 3182882033WCI 53044488254WCI 3183234005WCI 3182880006WCI 53044488266AWCI 31811040010WCI 31812280414316022500 Frigidaire Oven Warmer Drawer Zone Indicator Light Lamp18AWCI 31828790718WCI 31828790619WCI 31828863519AWCI 31832290320WCI 31641876023WCI 31830850023AWCI 318308600245304527841 Frigidaire Oven Rocker Switch (Black)25WCI 31832420230WCI 31831690035WCI 31833540236WCI 318197621465304462665 Frigidaire Oven Lens Kit54WCI 31822008354A318191024 Frigidaire Oven Range Dual Element Switch54DWCI 318078804695303288565 Frigidaire Screw84WCI 318146832