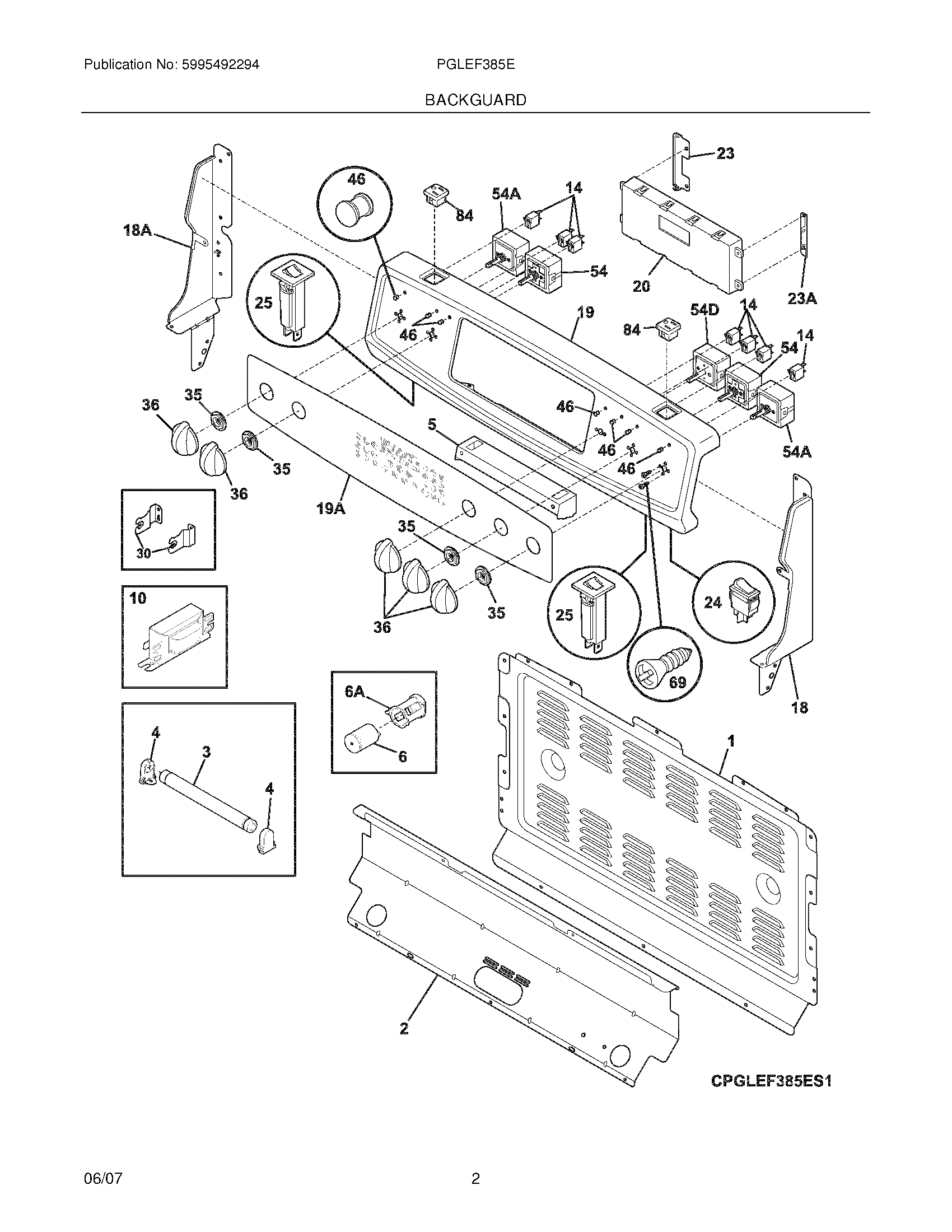
PGLEF385EB5 03 – BACKGUARDadmin2025-04-26T11:54:36+00:00PGLEF385EB5 03 – BACKGUARD ProductsPositionProductNISCREW,TRUSS HEAD,8-18 X 0.375NIWCI 318232103NI5303323137 Frigidaire Oven ScrewNI5303211311 Frigidaire Refrigerator Screw1WCI 3183141002WCI 3182882133WCI 53044488254WCI 3183234015WCI 3182880006WCI 53044488266AWCI 31811040010WCI 31812280514316022500 Frigidaire Oven Warmer Drawer Zone Indicator Light Lamp18WCI 31828790618AWCI 31828790719WCI 31828863519AWCI 31832290320WCI 31641876023WCI 31830850023AWCI 318308600245304527841 Frigidaire Oven Rocker Switch (Black)25WCI 31832420230WCI 31831690035WCI 31833540236WCI 31819762146318228310 Frigidaire Oven Lens54DWCI 31807880454A318191024 Frigidaire Oven Range Dual Element Switch54903136-9030 Frigidaire Oven Switch695303288565 Frigidaire Screw84WCI 318146832