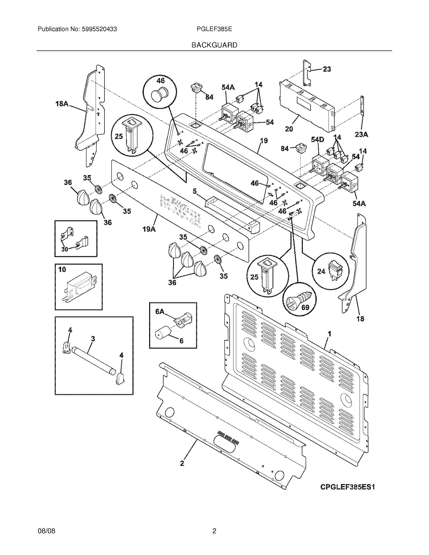
PGLEF385EB6 03 – BACKGUARDadmin2025-04-26T11:32:51+00:00PGLEF385EB6 03 – BACKGUARD ProductsPositionProductNISCREW,TRUSS HEAD,8-18 X 0.375NIWCI 318232103NI5303323137 Frigidaire Oven ScrewNI5303211311 Frigidaire Refrigerator Screw1WCI 3183141002WCI 3182882153WCI 53044488254WCI 3183234015WCI 3182880006WCI 53044488266AWCI 31811040010WCI 31812280514316022500 Frigidaire Oven Warmer Drawer Zone Indicator Light Lamp18AWCI 31828790718WCI 31828790619AWCI 31832290319WCI 31841122820WCI 31641876623AWCI 31830860023WCI 318308500245304527841 Frigidaire Oven Rocker Switch (Black)25WCI 31832420230WCI 31831690035WCI 31833540236WCI 31819762146318228310 Frigidaire Oven Lens54DWCI 31807880454A318191024 Frigidaire Oven Range Dual Element Switch54903136-9030 Frigidaire Oven Switch695303288565 Frigidaire Screw84WCI 318146832