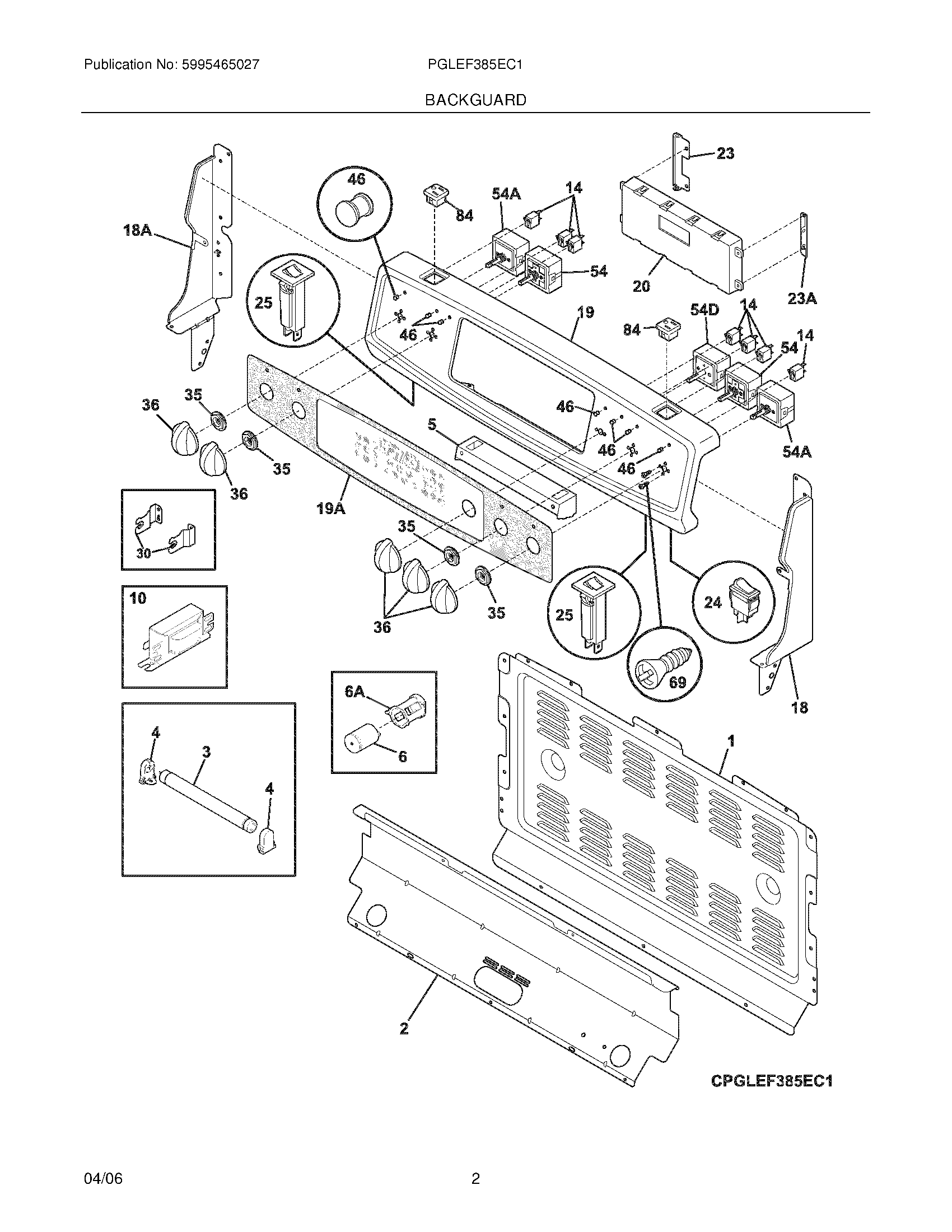
PGLEF385EC1 03 – BACKGUARD