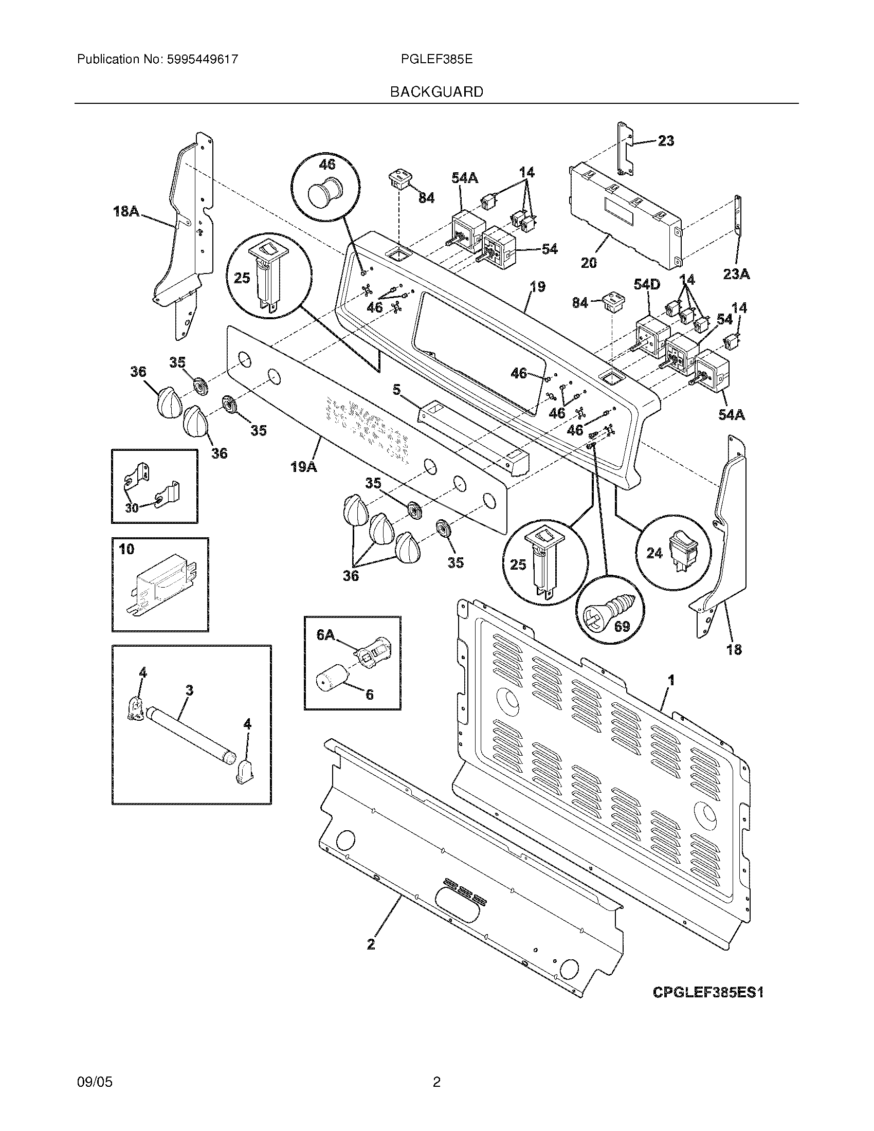
PGLEF385EQ1 03 – BACKGUARDadmin2025-04-26T11:35:41+00:00PGLEF385EQ1 03 – BACKGUARD ProductsPositionProductNISCREW,TRUSS HEAD,8-18 X 0.375NIWCI 318232101NI5303211311 Frigidaire Refrigerator ScrewNI5303323137 Frigidaire Oven Screw1WCI 3183141002WCI 3182882023WCI 53044488254WCI 3183234005WCI 3182880006WCI 53044488266AWCI 31811040010WCI 31812280414316022500 Frigidaire Oven Warmer Drawer Zone Indicator Light Lamp18WCI 31828790418AWCI 31828790519WCI 31828863719AWCI 31832290220WCI 31641876023AWCI 31830860023WCI 318308500245304527842 Frigidaire Rocker Switch25WCI 31832420130WCI 31831690035WCI 31833540136WCI 318197622465304462665 Frigidaire Oven Lens Kit54318293813 Frigidaire Oven Switch54DWCI 31807880054A903097-9040 Frigidaire Oven Switch Kit695303288565 Frigidaire Screw84WCI 318146831