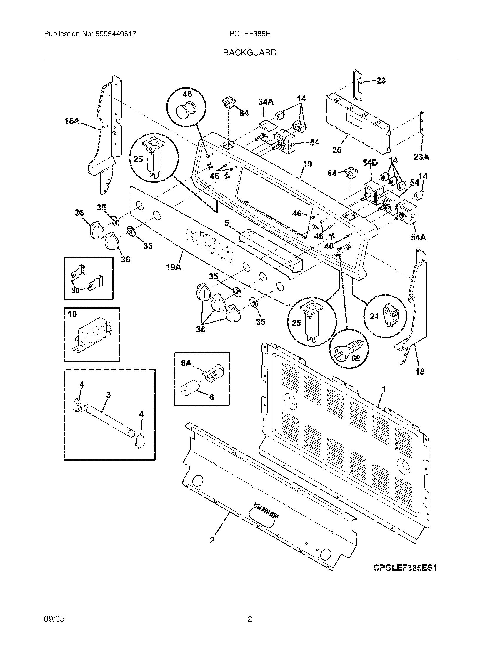
PGLEF385ES1 03 – BACKGUARDadmin2025-04-26T11:53:42+00:00PGLEF385ES1 03 – BACKGUARD ProductsPositionProductNISCREW,TRUSS HEAD,8-18 X 0.375NI5303323137 Frigidaire Oven ScrewNIWCI 318232101NI5303211311 Frigidaire Refrigerator Screw1WCI 3183141002WCI 3182882013WCI 53044488254WCI 3183234005WCI 3182880006WCI 53044488266AWCI 31811040010WCI 31812280414316022500 Frigidaire Oven Warmer Drawer Zone Indicator Light Lamp18AWCI 31828790318WCI 31828790219AWCI 31832290119WCI 31828863620WCI 31641876023WCI 31830850023AWCI 318308600245304527842 Frigidaire Rocker Switch25WCI 31832420030WCI 31831690035WCI 31833540036WCI 318197620465304462665 Frigidaire Oven Lens Kit54A318191024 Frigidaire Oven Range Dual Element Switch54DWCI 31807880454WCI 318220083695303288565 Frigidaire Screw84WCI 318146830