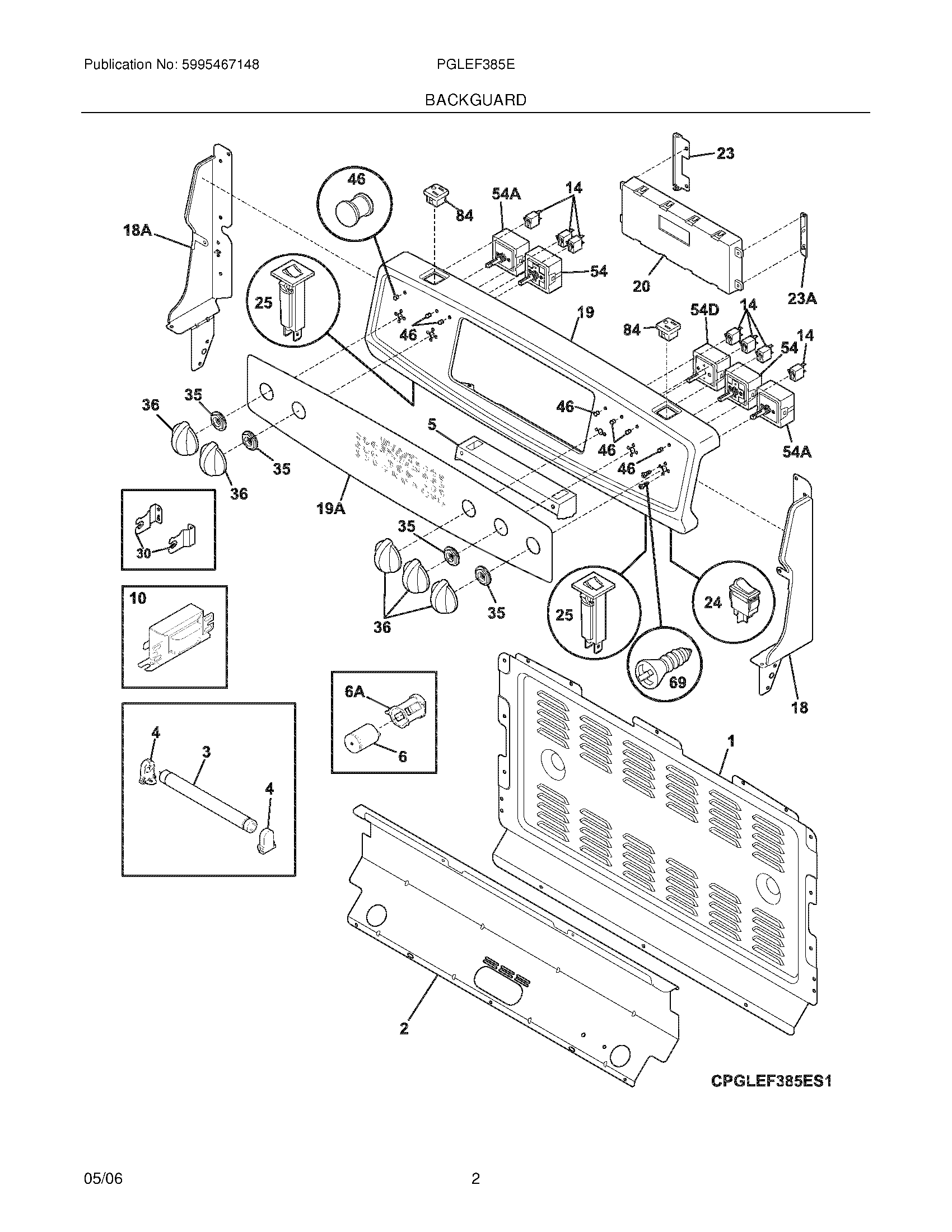
PGLEF385ES3 03 – BACKGUARDadmin2025-04-26T11:53:47+00:00PGLEF385ES3 03 – BACKGUARD ProductsPositionProductNISCREW,TRUSS HEAD,8-18 X 0.375NIWCI 318232103NI5303323137 Frigidaire Oven ScrewNI5303211311 Frigidaire Refrigerator Screw1WCI 3183141002WCI 3182882013WCI 53044488254WCI 3183234015WCI 3182880006AWCI 3181104006WCI 530444882610WCI 31812280414316022500 Frigidaire Oven Warmer Drawer Zone Indicator Light Lamp18AWCI 31828790318WCI 31828790219AWCI 31832290119WCI 31828863620WCI 31641876023AWCI 31830860023WCI 318308500245304527842 Frigidaire Rocker Switch25WCI 31832420030WCI 31831690035WCI 31833540036WCI 318197620465304462665 Frigidaire Oven Lens Kit54A318191024 Frigidaire Oven Range Dual Element Switch54DWCI 31807880454WCI 318220083695303288565 Frigidaire Screw84WCI 318146830