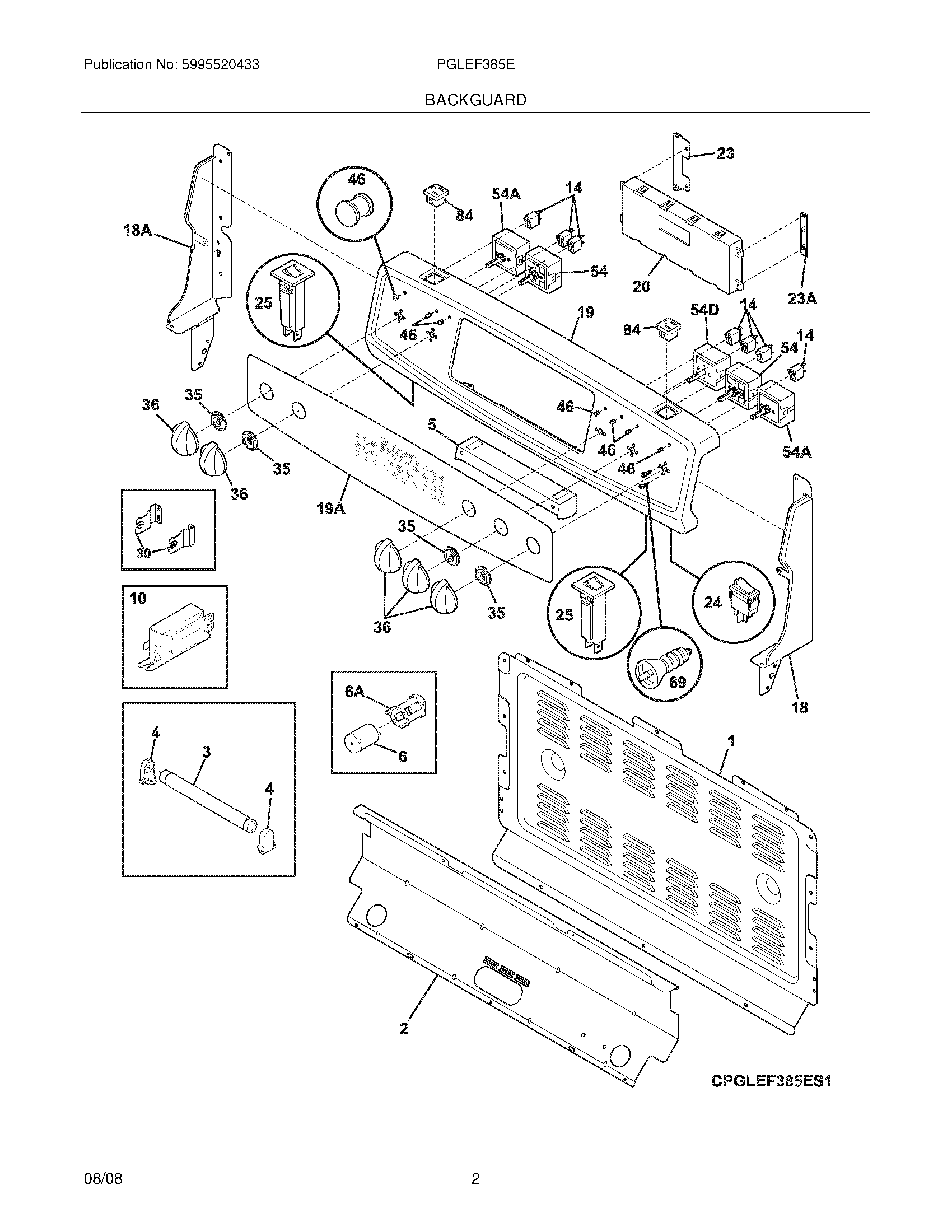
PGLEF385ES6 03 – BACKGUARDadmin2025-04-26T11:55:08+00:00PGLEF385ES6 03 – BACKGUARD ProductsPositionProductNISCREW,TRUSS HEAD,8-18 X 0.375NIWCI 318232103NI5303323137 Frigidaire Oven ScrewNI5303211311 Frigidaire Refrigerator Screw1WCI 3183141002WCI 3182882153WCI 53044488254WCI 3183234015WCI 3182880006WCI 53044488266AWCI 31811040010WCI 31812280514316022500 Frigidaire Oven Warmer Drawer Zone Indicator Light Lamp18WCI 31828790218AWCI 31828790319AWCI 31832290119WCI 31841122620WCI 31641876623WCI 31830850023AWCI 318308600245304527842 Frigidaire Rocker Switch25WCI 31832420030WCI 31831690035WCI 31833540036WCI 31819762046318228310 Frigidaire Oven Lens54903136-9030 Frigidaire Oven Switch54DWCI 31807880454A318191024 Frigidaire Oven Range Dual Element Switch695303288565 Frigidaire Screw84WCI 318146830