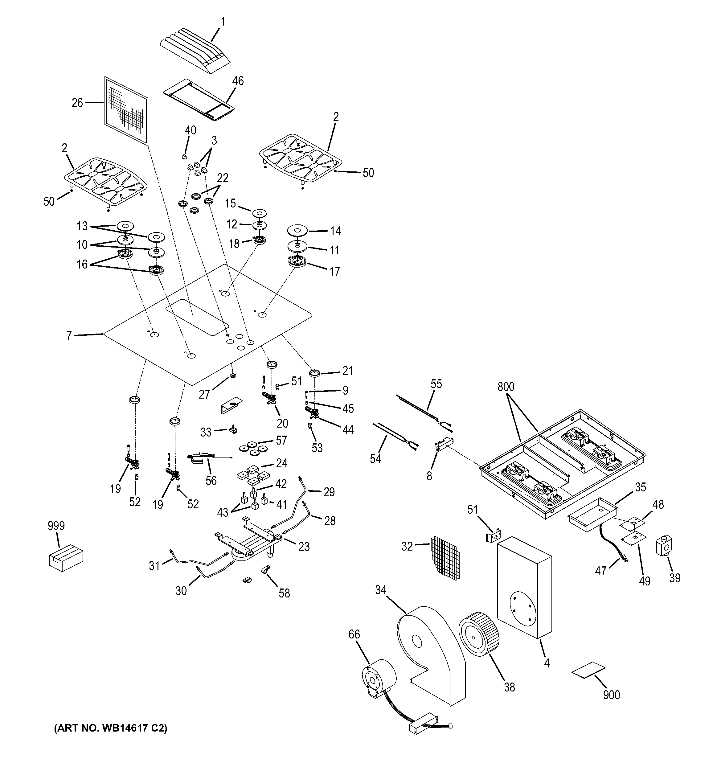
PGP989DN2BB CONTROL PANEL & COOKTOPadmin2025-04-26T11:42:26+00:00PGP989DN2BB CONTROL PANEL & COOKTOP ProductsPositionProduct1CENTER VENT BLACK2WB31X10007 GE Oven Black Burner Grate3GEN WB03X101224GEN WB64X100197GEN WB62X212048SPARK MODULE9WB13T10073 GE Oven Igniter12GEN WB16X1000113BURNER CAP "B" BLACK14BURNER CAP "C" BLACK15GEN WB13X1000816WB16T10030 GE Oven Medium Base Burner17WB16T10033 GE Oven Large Base Burner18GEN WB16X1000219GEN WB16X1000320WB16X26293 GE Oven Burner Assembly Injection21WB02T10095 GE Oven Burner Grommet22WB32X10019 GE Oven Black Valve Hole Grommet23WB28X27607 GE Manifold Assembly24GEN WB18X2121026GEN WB02X1065127SEAL, SWITCH28WB28X10027 GE Oven Right Front Tubing29WB28X10028 GE Oven Tubing Right Rear30WB28X10029 GE Oven Left Tubing31WB28X10030 GE Oven Left Rear Tubing32WB02X10652 GE Oven Guard Wire33WB24X10174 GE Oven Fan Switch34GEN WB26X1012935WIRE COVER38GEN WB26X1013039REGULATOR CONVERT PRESS40WB03T10035 GE Oven Black Selector Knob41WB21X10051 GE Oven Right Front Valve42WB21X10052 GE Oven Right Rear Valve43WB21X10053 GE Oven Left & Right Valve44GEN WB16X1000545WB01K10112 GE Range Oven Electrode Clip46GEN WB06X1027447WB08X10018 GE Power Cord48WB06X10276 GE Manifold Gasket49GEN WB02X1118850WB02T10461 GE Oven Range Grate Foot51WB02X11364 GE Cooktop Support51WB28X26296 GE Oven Orifice Spud Assembly52WB28T10117 GE Oven LP Main Orifice Spud53WB28X26295 GE Oven Spud Orifice Assembly54WB18X10424 GE Left Igniter Harness55WB18X10423 GE Right Igniter Harness56WB18X10422 GE Oven Blower Wire Harness57WB02X11371 GE Oven Cooktop Splash Guard58CLAMP CONDUIT66GEN WB26X10131800WB02X26088 GE Oven Foam Tape900GEN 31-14724900GEN 49-80516999GEN 49-80554999WB06X10694 GE Reflective Tape Roll 150'999INSTALLATION KIT