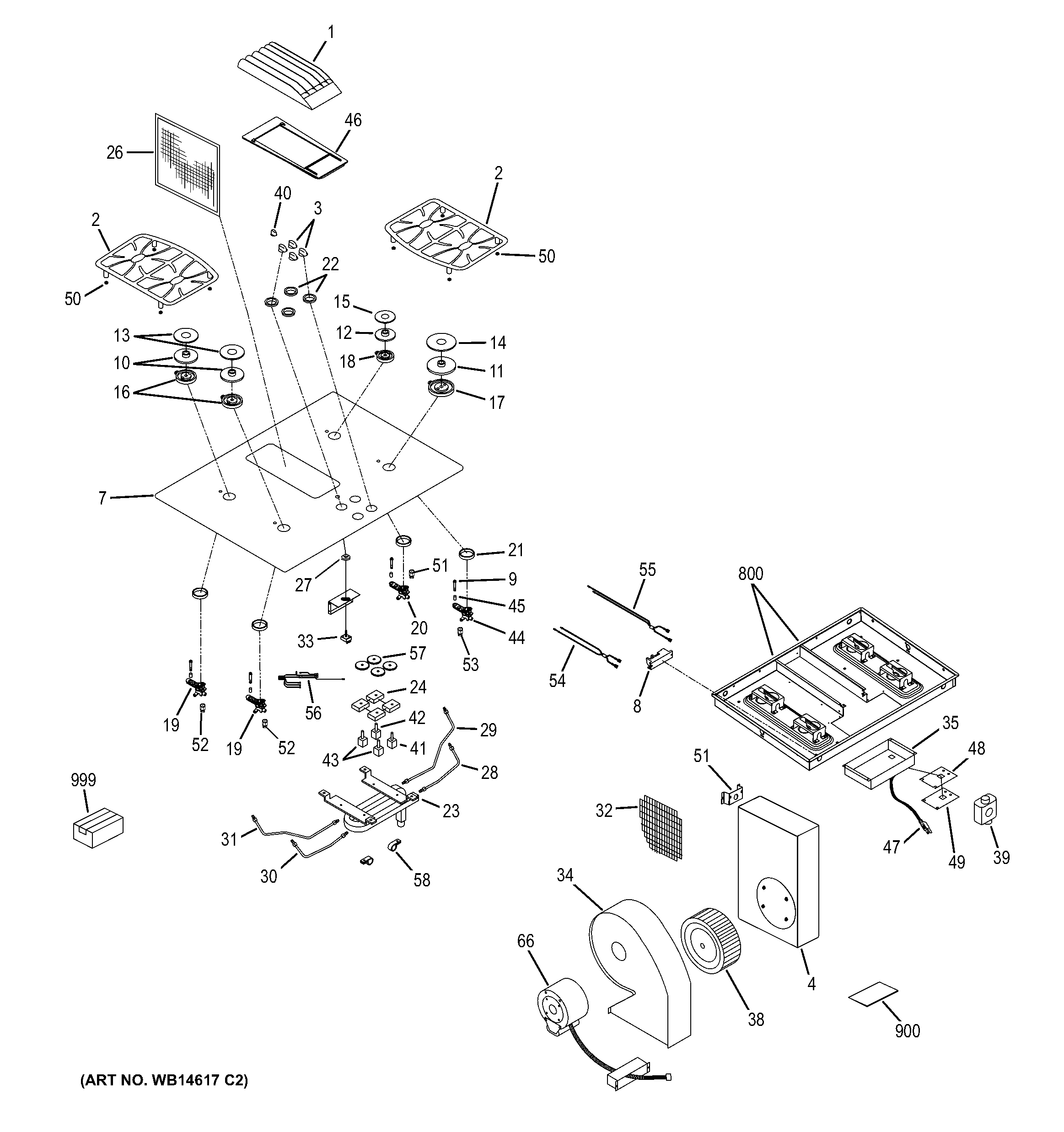
PGP989SN1SS CONTROL PANEL & COOKTOP

PGP989SN1SS CONTROL PANEL & COOKTOP

Products

PositionProduct
1CENTER VENT BLACK
2WB31X10007 GE Oven Black Burner Grate
3GEN WB03X10122
4GEN WB64X10019
7GEN WB61X10014
8SPARK MODULE
9WB13T10073 GE Oven Igniter
12GEN WB16X10001
13BURNER CAP "B" BLACK
14BURNER CAP "C" BLACK
15GEN WB13X10008
16WB16T10030 GE Oven Medium Base Burner
17WB16T10033 GE Oven Large Base Burner
18GEN WB16X10002
19GEN WB16X10003
20WB16X26293 GE Oven Burner Assembly Injection
21WB02T10095 GE Oven Burner Grommet
22WB32X10019 GE Oven Black Valve Hole Grommet
23WB28X27607 GE Manifold Assembly
24SWITCH HARNESS
26GEN WB02X10651
27SEAL, SWITCH
28WB28X10027 GE Oven Right Front Tubing
29WB28X10028 GE Oven Tubing Right Rear
30WB28X10029 GE Oven Left Tubing
31WB28X10030 GE Oven Left Rear Tubing
32WB02X10652 GE Oven Guard Wire
33WB24X10174 GE Oven Fan Switch
34GEN WB26X10129
35WIRE COVER
38GEN WB26X10130
39REGULATOR CONVERT PRESS
40WB03T10035 GE Oven Black Selector Knob
41WB21X10051 GE Oven Right Front Valve
42WB21X10052 GE Oven Right Rear Valve
43WB21X10053 GE Oven Left & Right Valve
44GEN WB16X10005
45WB01K10112 GE Range Oven Electrode Clip
46GEN WB06X10274
47WB08X10018 GE Power Cord
48WB06X10276 GE Manifold Gasket
49GEN WB02X11188
50WB02T10461 GE Oven Range Grate Foot
51WB28X26296 GE Oven Orifice Spud Assembly
51WB02X11364 GE Cooktop Support
52WB28T10117 GE Oven LP Main Orifice Spud
53WB28X26295 GE Oven Spud Orifice Assembly
54WB18X10424 GE Left Igniter Harness
55WB18X10423 GE Right Igniter Harness
56WB18X10422 GE Oven Blower Wire Harness
57WB02X11371 GE Oven Cooktop Splash Guard
58CLAMP CONDUIT
66GEN WB26X10131
800WB02X26088 GE Oven Foam Tape
900GEN 49-80516
900GEN 31-14724
999WB06X10694 GE Reflective Tape Roll 150'
999GEN 49-80554
999INSTALLATION KIT