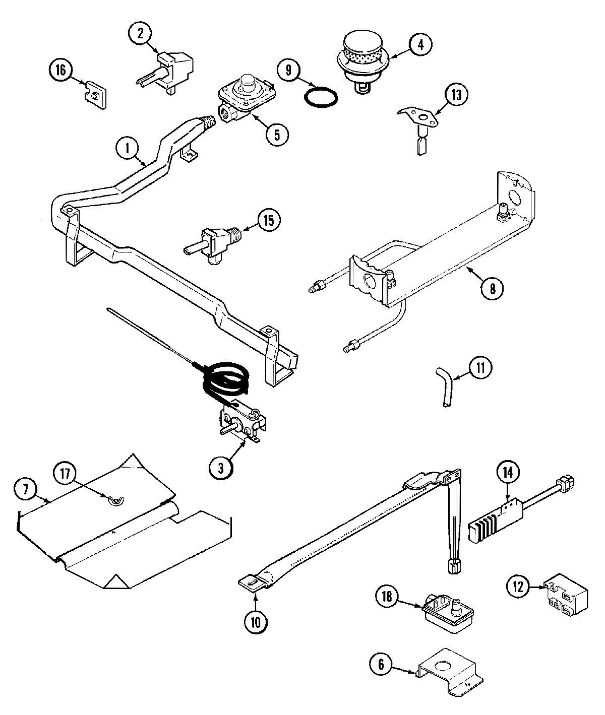
PGR4410ADQ 04 – GAS CONTROLSadmin2025-04-26T09:43:44+00:00PGR4410ADQ 04 – GAS CONTROLS ProductsPositionProduct1MAY 740038502MAY 740039252MAY 740025322WP8273096 Whirlpool Screw3MAY 7101P280-603MAY 7404P096-604WP3412D024-09 Whirlpool Oven Burner Head5MAY 7510P049-606MAY 740050517MAY 740023938MAY 5187D028-608MAY 5187D031-609MAY 7400274510SCREW10MAY 7400243411MAY 155525111MAY 74005356128215557 Whirlpool Gas Stove Range Oven Cooktop Spark Module1374004053 Whirlpool Range Cooktop Top Burner Electrode Spark Igniter14MAY 7432P075-6014SCREW (10-24X5/16-NI)1512002280 Whirlpool Oven Valve Kit and Screw15MAY 7100323116MAY 7400253316WP7403P287-60 Whirlpool Igniter Switch17NUT, WING18MAY 7400532919MAY 1200120919MAY 7400423119MAY 74005313