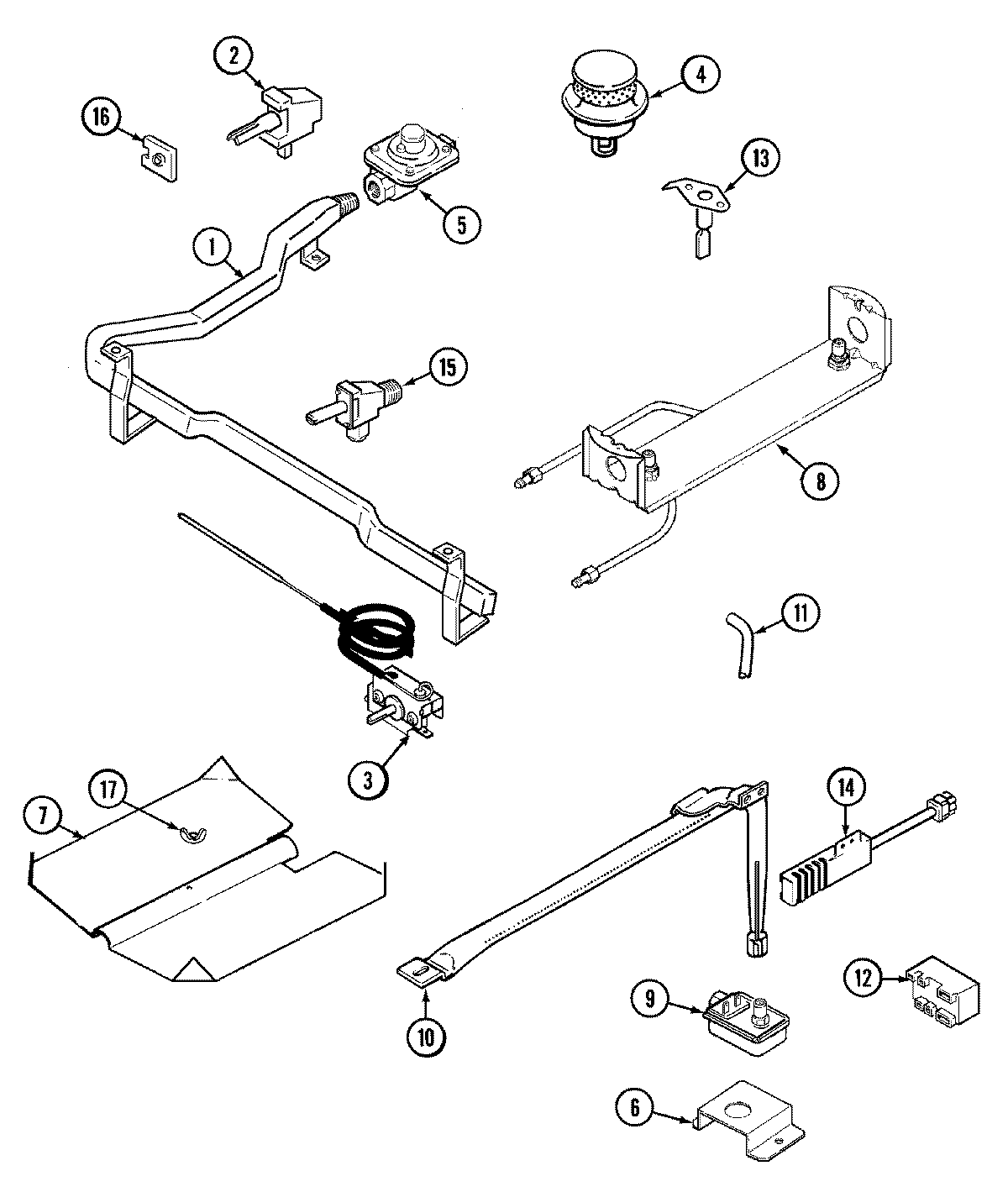
PGR4410CDW 04 – GAS CONTROLSadmin2025-04-26T09:44:33+00:00PGR4410CDW 04 – GAS CONTROLS ProductsPositionProduct1MAY 740094631MAY 740064162MAY 740025322MAY 120022812MAY 710032312WP8273096 Whirlpool Screw2MAY 740039253WP74002390 Whirlpool Oven Thermostat3MAY 7101P280-604WP3412D024-26 Whirlpool Oven Surface Burner Head5MAY 740062826MAY 740050517MAY 740023938WP5187M026-60 Whirlpool Surface Burner Orifice Holder8MAY 740025359MAY 7400628110MAY 7400243410SCREW11MAY 74006417128215557 Whirlpool Gas Stove Range Oven Cooktop Spark Module1374004053 Whirlpool Range Cooktop Top Burner Electrode Spark Igniter14SCREW (10-24X5/16-NI)14MAY 7432P075-601512002280 Whirlpool Oven Valve Kit and Screw15MAY 7101P044-601512002277 Whirlpool Oven Valve Kit & Screw16WP7403P287-60 Whirlpool Igniter Switch16MAY 7400253316MAY 7400946417NUT, WING20MAY 7400236320MAY 7400531321NOT REQUIRED PART OR SEE NOTE FUSE (NOT REQUIRED)