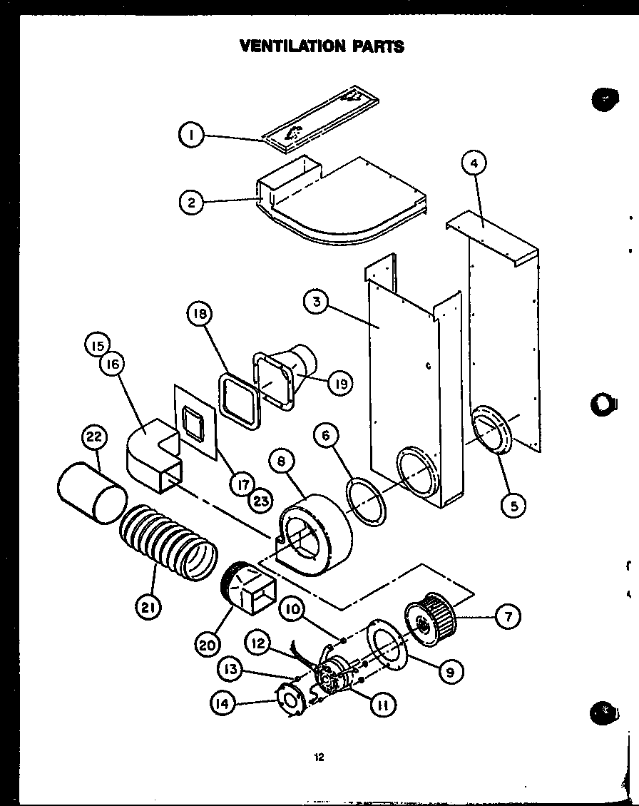
PHU-185 11 – VENTILATION PARTSadmin2025-04-26T09:42:26+00:00PHU-185 11 – VENTILATION PARTS ProductsPositionProductNIMAY Y0051941NIMAY 0041933NIMAY 0098549NIMAY Y0041857NIMAY Y00978851MAY Y00585262MAY 302087B3MAY Y03017054MAY Y00585675MAY Y00595626MAY 00595697MAY Y00427528MAY 300618G9MAY 005947010MAY 004198111MAY Y005832712MAY 004211513MAY 005912014MAY 005947115MAY Y031093316MAY Y031093817MAY Y030140518MAY Y030134319MAY Y031094320MAY Y005949321MAY Y030066322MAY 030105423MAY 0310945