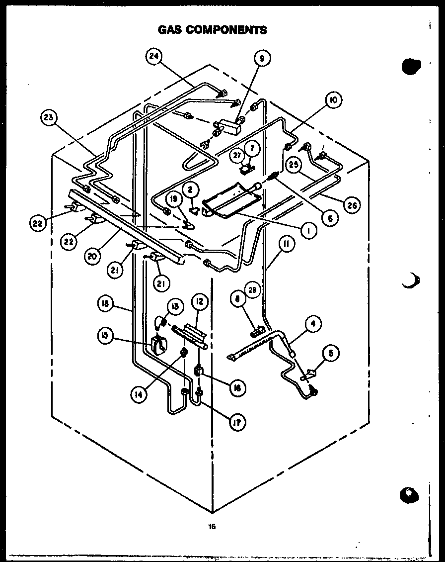
PHU-185-NWW 03 – GAS COMPONENTSadmin2025-04-26T09:43:23+00:00PHU-185-NWW 03 – GAS COMPONENTS ProductsPositionProductNIMAY Y0061441NIMAY Y0300090NIMAY Y0041816NIMAY Y00978711MAY 03120992MAY 03000724MAY 03000755MAY 03000916MAY 03026287MAY Y00607568MAY X0876999MAY Y030270610MAY 030174411MAY 030262312MAY 301858B13MAY 007308414MAY Y030126315MAY 030249516MAY Y030136117MAY 030174318MAY Y030174219MAY Y030186420PARTITION, CENTER (LARGE)21MAY Y030173122MAY Y030173223MAY 030262424MAY Y030262525MAY Y030262626MAY Y030262727MAY Y030155628MAY Y0063757