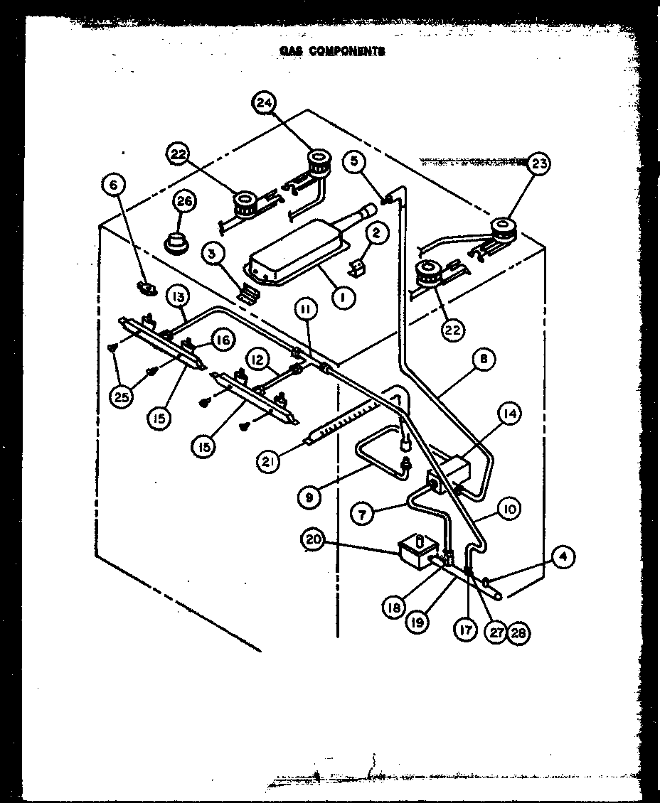
PHU101 02 – GAS COMPONENTSadmin2025-04-26T09:40:58+00:00PHU101 02 – GAS COMPONENTS ProductsPositionProduct1MAY Y00637792MAY 00637853MAY 00628654MAY 00424155MAY Y00630605MAY Y00630616MAY Y00614407MAY Y00627428MAY 00624349MAY 006243310MAY 006143911MAY 006146712MAY Y006143813MAY 006143714MAY Y006314315MAY 006146816MAY Y006146617MAY 006276018MAY Y006274919MAY 006276220MAY Y006368421MAY Y006370922MAY Y006314723MAY Y006314624MAY Y006314525MAY Y006144126MAY 006147526MAY 006147426MAY 006147327MAY Y009258028MAY Y0092579