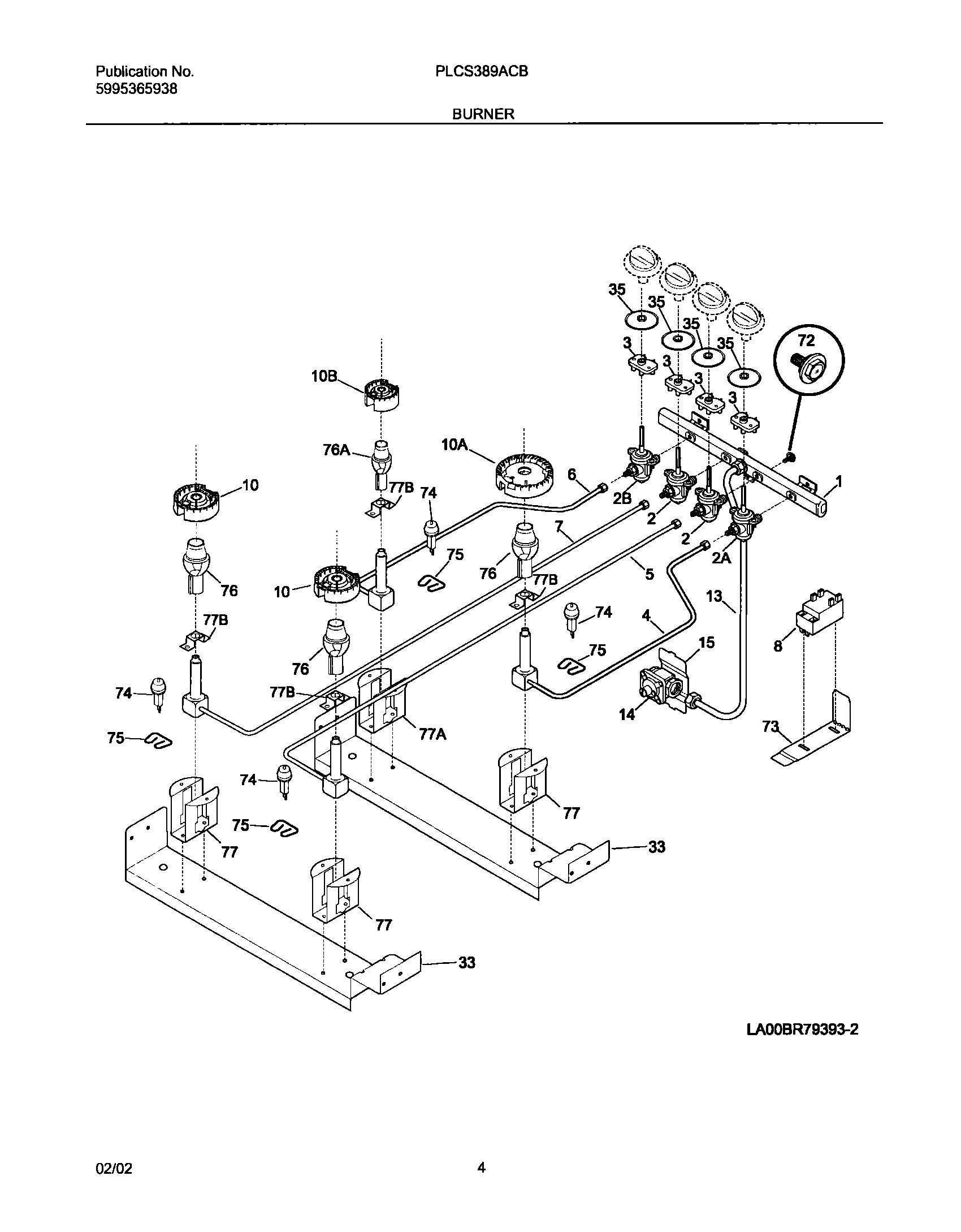
PLCS389ACB 05 – BURNER