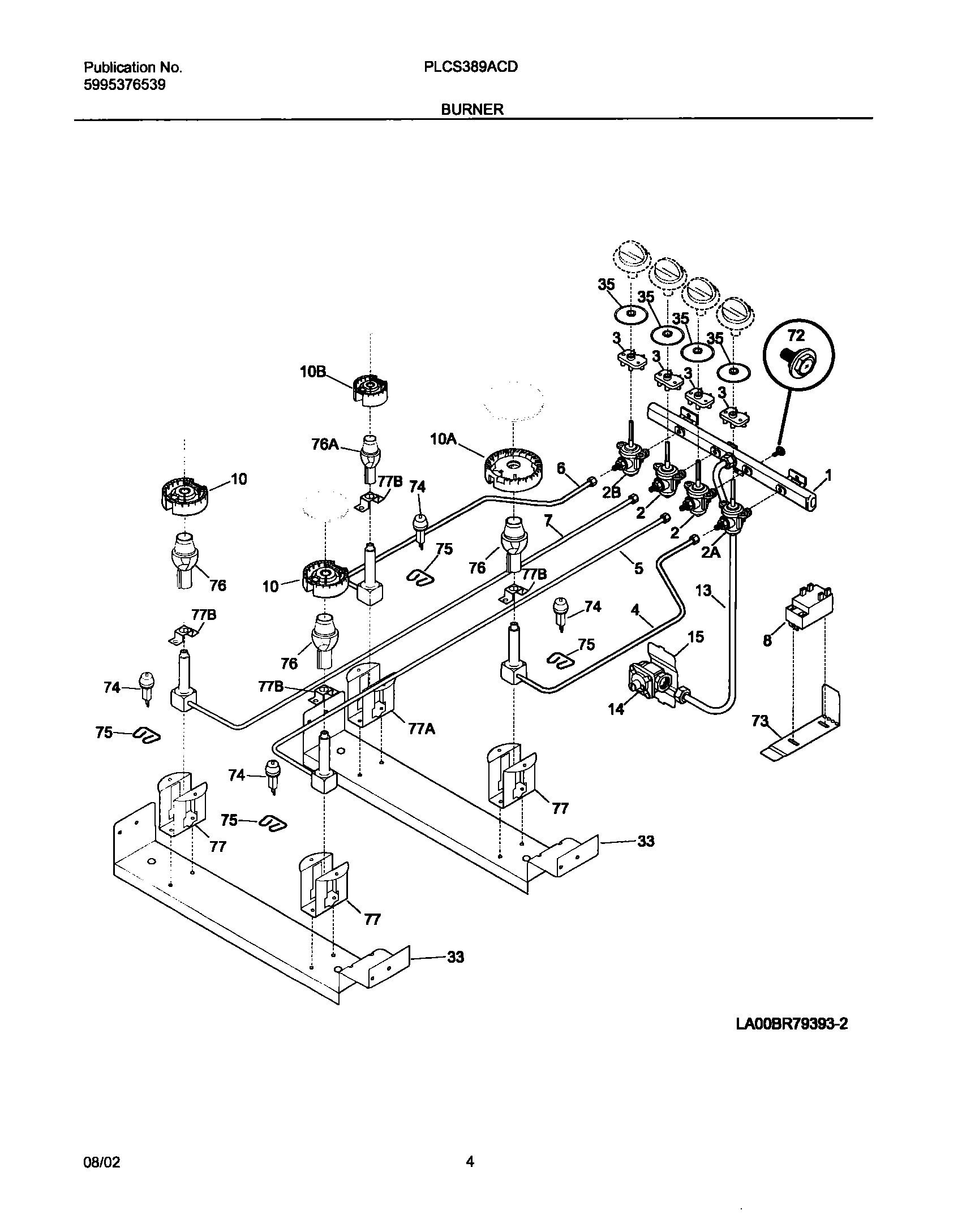
| NI | WCI 318052148 |
| NI | 08002868 Frigidaire 0 Screw Assembly |
| NI | 316048200 Frigidaire Oven Screw |
| NI | LP Conversion Kit |
| 1 | WCI 318177301 |
| 2B | WCI 318087040 |
| 2 | WCI 5303935042 |
| 2A | WCI 318087001 |
| 3 | SWITCH-IGNITOR |
| 4 | Tube,burner ,RF |
| 5 | Tube,burner ,LF |
| 6 | Tube,burner ,RR |
| 7 | Tube,burner ,LR |
| 8 | 5304505695 Frigidaire Oven Module |
| 10B | WCI 318148000 |
| 10 | WCI 318148001 |
| 10A | WCI 318148002 |
| 13 | WCI 318054503 |
| 14 | WCI 318122700 |
| 15 | WCI 318122901 |
| 33 | Bracket,burner |
| 35 | WCI 318146300 |
| 72 | WCI 5303323141 |
| 73 | Plate,spark module |
| 74 | 318148700 Frigidaire Igniter P1 |
| 75 | WCI 318148800 |
| 76No. | 318167801 Frigidaire Oven Tube |
| 76A | WCI 318167800 |
| 77 | WCI 318112010 |
| 77A | WCI 318112000 |
| 77B | WCI 318180900 |