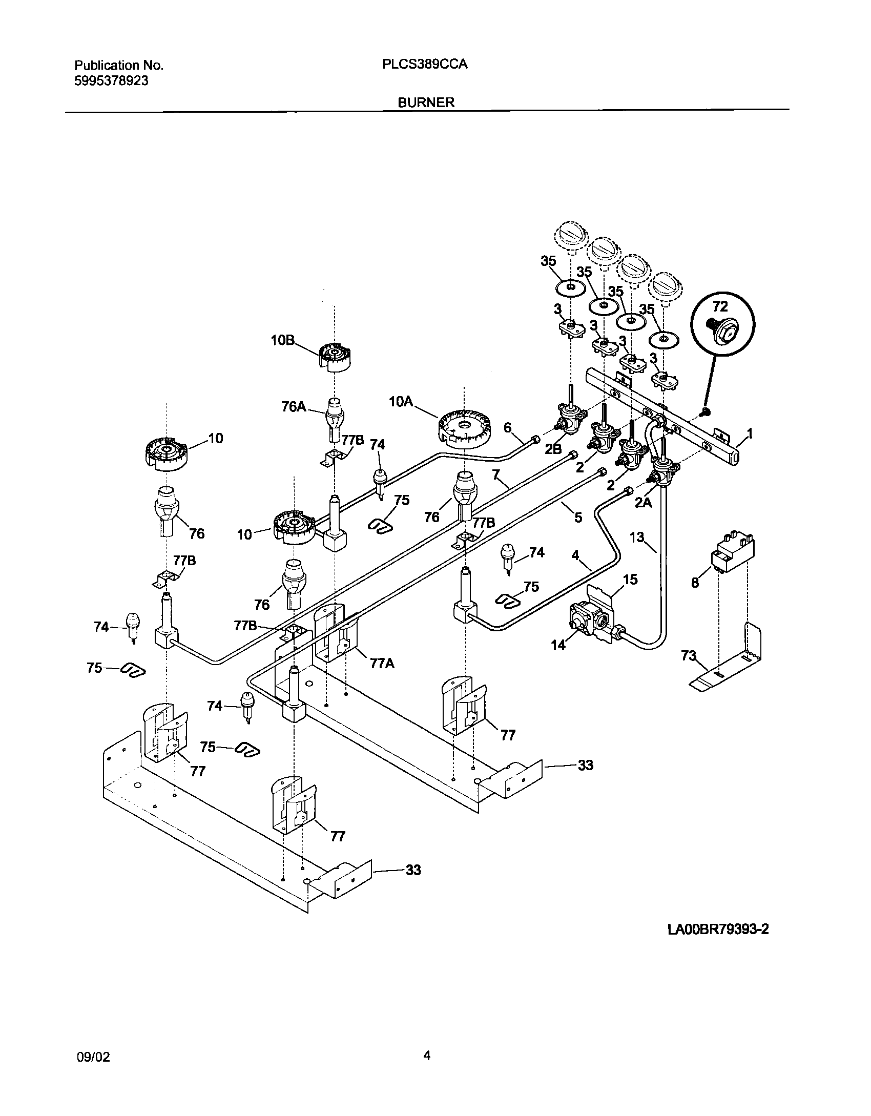
PLCS389CCA 05 – BURNER