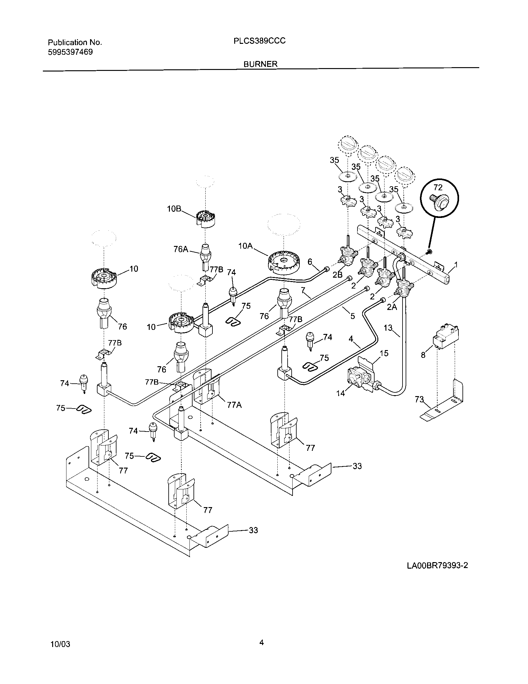
PLCS389CCC 05 – BURNER