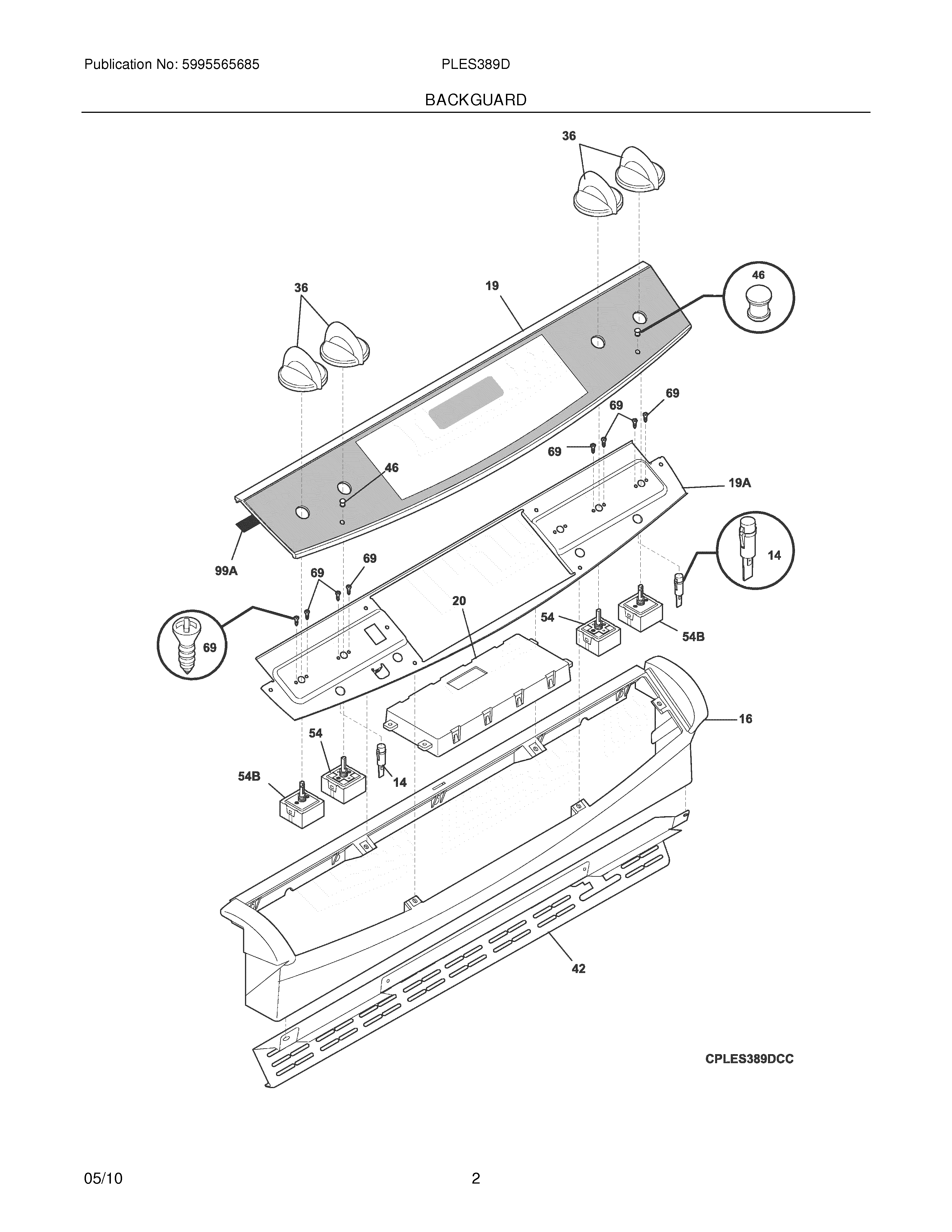
PLES389DCC 03 – BACKGUARDadmin2025-04-26T09:40:26+00:00PLES389DCC 03 – BACKGUARD ProductsPositionProductNISCREW,TRUSS HEAD,8-18 X 0.375NI08002868 Frigidaire 0 Screw AssemblyNI5303211311 Frigidaire Refrigerator ScrewNIWCI 318163602NIWCI 31818310014318044831 Frigidaire Oven Light16WCI 31823502119WCI 31823970019AWCI 31822440320WCI 31627220436WCI 31822930142WCI 31822430146WCI 31822830054BDUAL INFINITE SWITCH54SM SURFACE UNIT SWITCH695303288565 Frigidaire Screw99A318223900 Frigidaire Oven Gasket