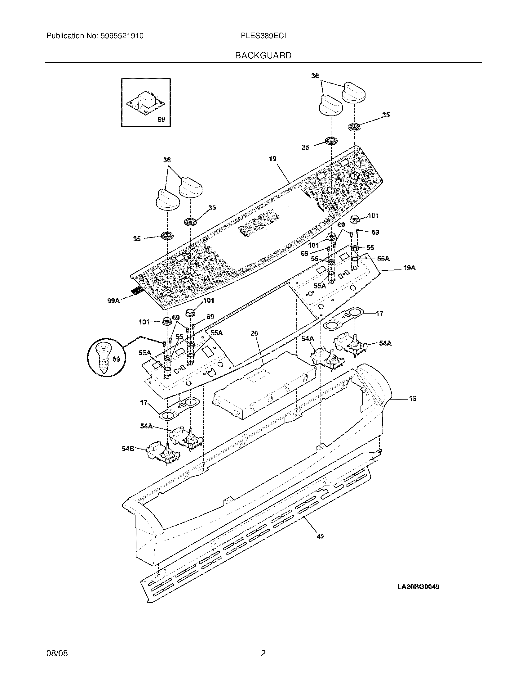
PLES389ECI 03 – BACKGUARDadmin2025-04-26T09:39:39+00:00PLES389ECI 03 – BACKGUARD ProductsPositionProductNI5303300265 Frigidaire Oven ScrewNISCREW,TRUSS HEAD,8-18 X 0.375NI5304453707 Frigidaire Oven ScrewNIWCI 318228864NIWCI 318224849NIWCI 530444707116WCI 31829910217WCI 31830690019AWCI 31822440519WCI 31831383020316462841 Frigidaire Controller35WCI 31823372036318319301 Frigidaire Oven Surface Unit Control Knob (Black)42WCI 31829800154BControl,electronic ,left front ,dual element,w/potentiometer54A316441801 Frigidaire Oven Control55316247700 Frigidaire Oven Nut55A316247800 Frigidaire Oven Washer695303288565 Frigidaire Screw99A318223900 Frigidaire Oven Gasket99316435703 Frigidaire Oven Board101WCI 318233400